LEMON Manuals: Even more car manuals for everyone: 1960-2025
Home >> Mazda >> 2007 >> 3 Mazdaspeed, 2.3 M >> Repair and Diagnosis >> Engine Performance >> Engine Control Systems >> Engine Control System (L3 With TC) >> Control System Wiring Diagram
April 5, 2026: LEMON Manuals is launched! Read the announcement.

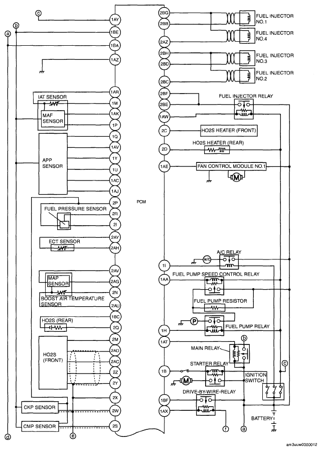
Control System Wiring Diagram

Fig 1: Control System Wiring Diagram (1 Of 2)
G04955292Courtesy of MAZDA MOTORS CORP.
Fig 2: Control System Wiring Diagram (2 Of 2)
G04954336Courtesy of MAZDA MOTORS CORP.