LEMON Manuals: Even more car manuals for everyone: 1960-2025
Home >> Mazda >> 2007 >> B2300 L4-2.3L >> Repair and Diagnosis >> Powertrain Management >> Computers and Control Systems >> Camshaft Position Sensor >> Service and Repair
April 5, 2026: LEMON Manuals is launched! Read the announcement.

Camshaft Position Sensor: Service and Repair


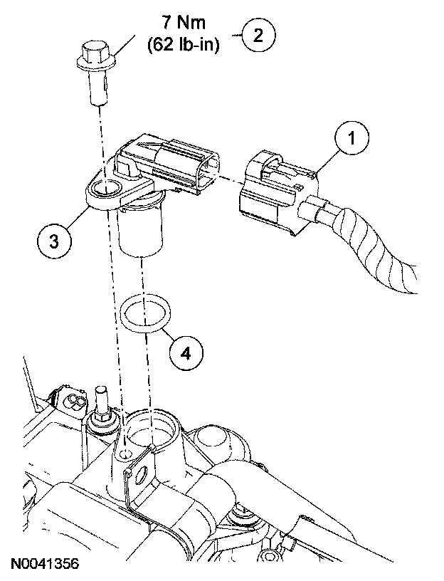
CAMSHAFT POSITION (CMP) SENSOR REMOVAL / INSTALLATION - 2.3L











1. Disconnect the negative battery cable. See BATTERY DISCONNECT.




2. Disconnect the camshaft position (CMP) sensor electrical connector.
3. Remove the bolt and the CMP sensor.

NOTE: Lubricate the O-ring with clean engine oil.

4. To install, reverse the removal procedure.