LEMON Manuals: Even more car manuals for everyone: 1960-2025
Home >> Mazda >> 2007 >> CX-7 Touring, AWD >> Repair and Diagnosis >> Brakes >> Traction Control >> Dynamic Stability Control System >> DSC HU/Cm Removal/Installation >> Notes
April 5, 2026: LEMON Manuals is launched! Read the announcement.

DSC HU/Cm Removal/Installation: Notes

CAUTION:
  • The DSC may not function normally when the DSC HU/CM is replaced. After installation, always perform the initialization procedures for the DSC HU/CM, combined sensor and the steering angle sensor. (See COMBINED SENSOR INITIALIZATION PROCEDURE .) (See STEERING ANGLE SENSOR INITIALIZATION PROCEDURE ).
  • The internal parts of the DSC HU/CM could be damaged if dropped. Be careful not to drop the DSC HU/CM. Replace the DSC HU/CM if it is subjected to an impact.
  1. Remove the battery and battery tray. (See BATTERY REMOVAL/INSTALLATION[L3 WITH TC] ).
  2. Remove the battery tray bracket as shown in the figure.
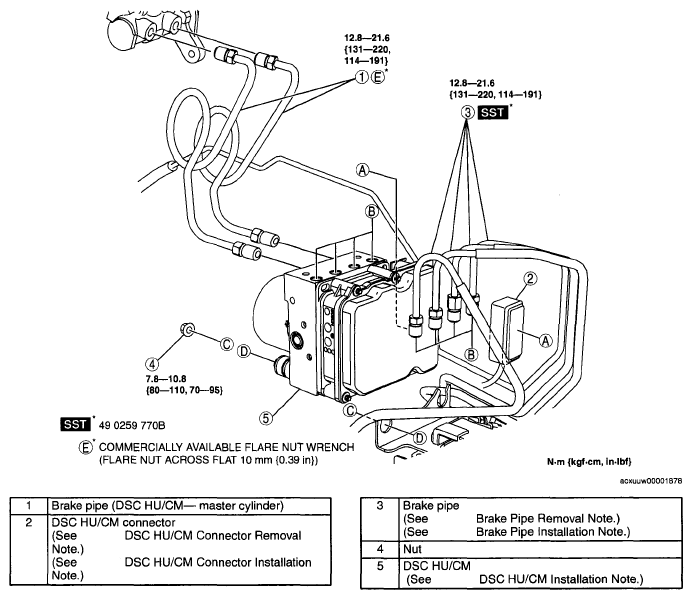
  3. Remove in the order indicated in the figure.
  4. Install in the reverse order of removal.
  5. After installation, add brake fluid, bleed the air, and inspect for fluid leakage. (See AIR BLEEDING ).
  6. After installation, perform the combined sensor initialization procedure. (See COMBINED SENSOR INITIALIZATION PROCEDURE .)
  7. After installation, perform the steering angle sensor initialization procedure. (See STEERING ANGLE SENSOR INITIALIZATION PROCEDURE ).
    Fig 1: Battery Tray Bracket With TorqueSpecifications
    G04860257Courtesy of MAZDA MOTORS CORP.
    Fig 2: DSC HU/CM Replacement Components With Torque Specifications
    G04860258Courtesy of MAZDA MOTORS CORP.