LEMON Manuals: Even more car manuals for everyone: 1960-2025
Home >> Mazda >> 2008 >> 3 L4-2.3L >> Repair and Diagnosis >> Specifications >> Mechanical Specifications >> Engine >> System Specifications >> Tightening Torques
April 5, 2026: LEMON Manuals is launched! Read the announcement.

Tightening Torques

[LF, L3]





Cylinder Head Bolt
Tightening torque
1. 3-11 N-m (30.6-112 kgf-cm, 26.6-97.3 in-lbf)
2. 13-17 N-m (1.4-1.7 kgf-m, 9.59-12.5 ft-lbf)
3. 43-47 N-m (4.4-4.7 kgf-m, 31.8-34.6 ft-lbf)
4. 88°-92°
5. 88°-92°





Cylinder Head bolt Re-Usability
Measure the length of each cylinder head bolt.
Replace any that exceeds maximum length.
Cylinder Head Bolt Length L 145.2-145.8 mm (5.717-5.740 in)
Cylinder Head Bolt Maximum 146.5 mm (5.767 in)





Camshaft Cap bolts
Tighten torque
Step 1. 5.0-8.0 N-m (51.0-81.5 kgf-cm, 44.3-70.8 in-lbf)
Step 2. 14-17 N-m (1.5-1.7 kgf-m, 10.4-12.5 ft-lbf)

Exhaust camshaft sprocket lock bolt.
Tightening torque 69-75 N-m (7.1-7.6 kgf-m, 50.9-55.3 ft-lbf)

[L3 WITH TC]





Cylinder Head Bolt
Tightening procedure
1st step: 3.0-11 N-m (31-112 kgf-cm, 27-97 in-lbf)
2nd step: 13-17 N-m (133-173 kgf-cm, 116-150 in-lbf)
3rd step: 43-47 N-m (4.4-4.7 kgf-m, 32-34 ft-lbf)
4th step: 88°-92°
5th step: 88°-92°





Cylinder Head Re-Usability
Measure the length of each cylinder head bolt. Replace any cylinder head bolts that exceed the maximum length.
Cylinder head bolt length
Standard: 144.7-145.3 mm (5.697-5.720 in)
Maximum: 146 mm (5.74 in)





Camshaft Cap Bolts
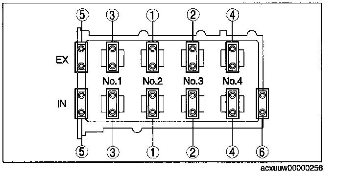
Install the camshaft caps and temporarily tighten the camshaft cap bolts evenly in two or three passes, and then tighten the camshaft cap bolts using the following two steps, in the order shown in the figure.
Tightening procedure
1st step: 5.0-9.0 N-m (51-91 kgf-cm, 45-79 in-lbf)
2nd step: 14-17 N-m (1.5-1.7 kgf-m, 11-12 ft-lbf)

Exhaust Camshaft Sprocket
Tightening torque 69-75 N-m (7.1-7.6 kgf-m, 51-55 ft-lbf)

Variable valve timing actuator installation bolt
Tightening torque 69-75 N-m (7.1-7.6 kgf-m, 51-55 ft-lbf)