LEMON Manuals: Even more car manuals for everyone: 1960-2025
Home >> Mazda >> 2008 >> CX-9 FWD V6-3.7L >> Repair and Diagnosis >> Body and Frame >> Locks >> Keyless Entry >> Diagrams >> Keyless Entry System
April 5, 2026: LEMON Manuals is launched! Read the announcement.

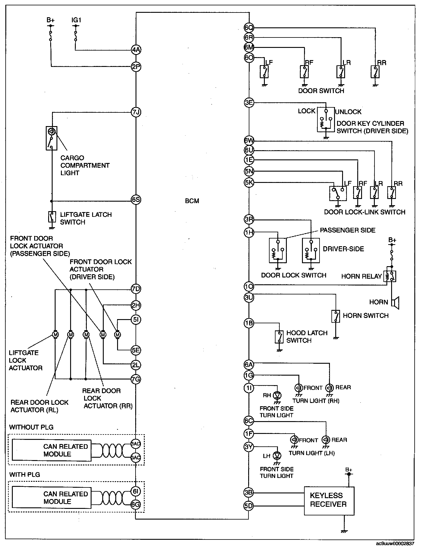
Keyless Entry System

Keyless Entry System Wiring Diagram [Keyless Entry System]: