LEMON Manuals: Even more car manuals for everyone: 1960-2025
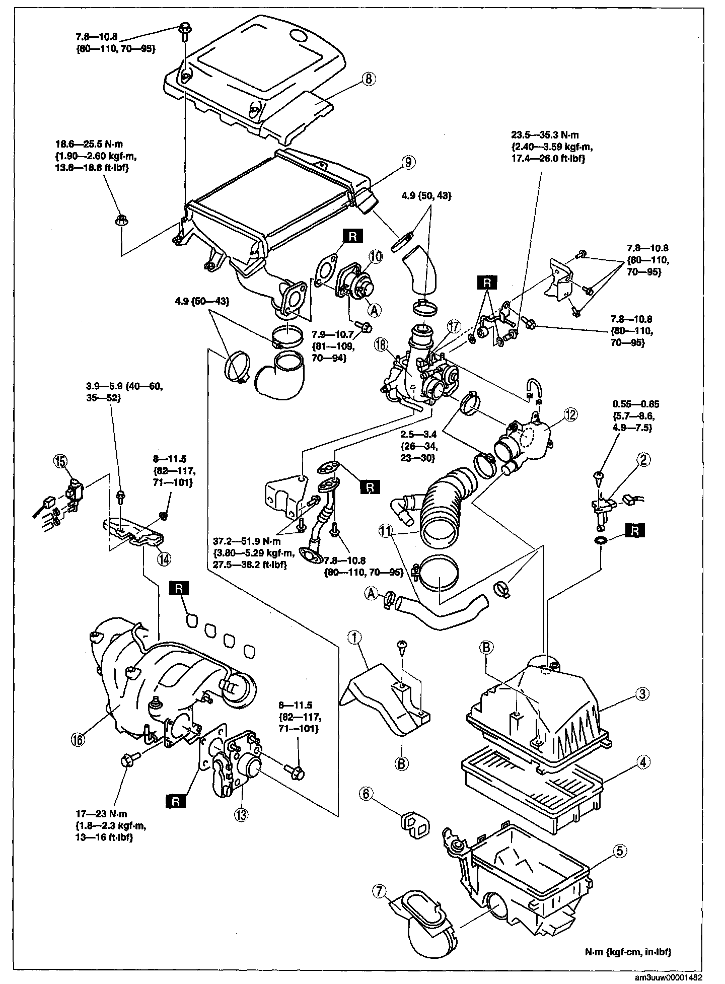
Home >> Mazda >> 2008 >> Mazdaspeed3 L4-2.3L Turbo >> Repair and Diagnosis >> Specifications >> Mechanical Specifications >> Engine >> Intake Manifold
April 5, 2026: LEMON Manuals is launched! Read the announcement.

Intake Manifold