LEMON Manuals
: Even more car manuals for everyone: 1960-2025
Home
>>
Mazda
>>
2009
>>
3 L4-2.3L
>>
Repair and Diagnosis
>>
Powertrain Management
>>
Emission Control Systems
>>
Locations
April 5, 2026:
LEMON Manuals is launched!
Read the announcement.
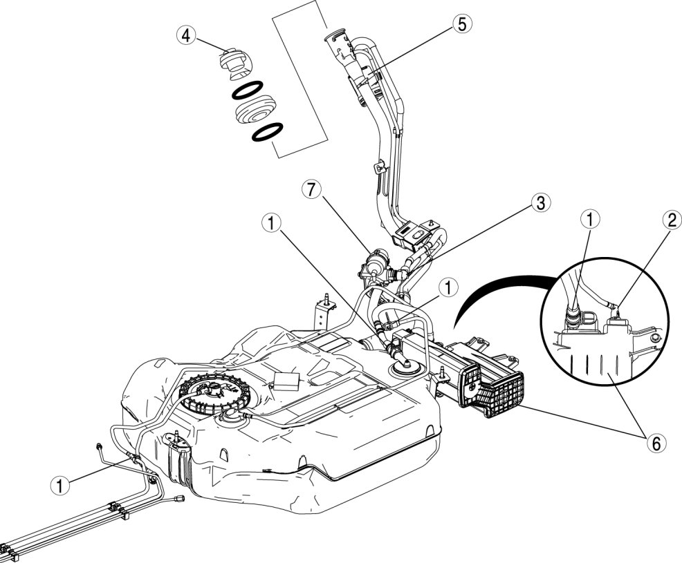
Emission Control Systems: Locations
EMISSION SYSTEM LOCATION INDEX [LF, L3]
Engine Compartment Side
Exhaust System
Fuel Tank Side
California emission regulation applicable model
Except for California emission regulation applicable model