LEMON Manuals: Even more car manuals for everyone: 1960-2025
Home >> Mazda >> 2009 >> CX-7 AWD L4-2.3L Turbo >> Repair and Diagnosis >> Accessories and Optional Equipment >> Antitheft and Alarm Systems >> Keyless Entry >> Testing and Inspection >> Symptom Related Diagnostic Procedures >> Advanced Keyless And Start System >> Keyless Entry System Wiring Diagram [Advanced Keyless And Start System]
April 5, 2026: LEMON Manuals is launched! Read the announcement.

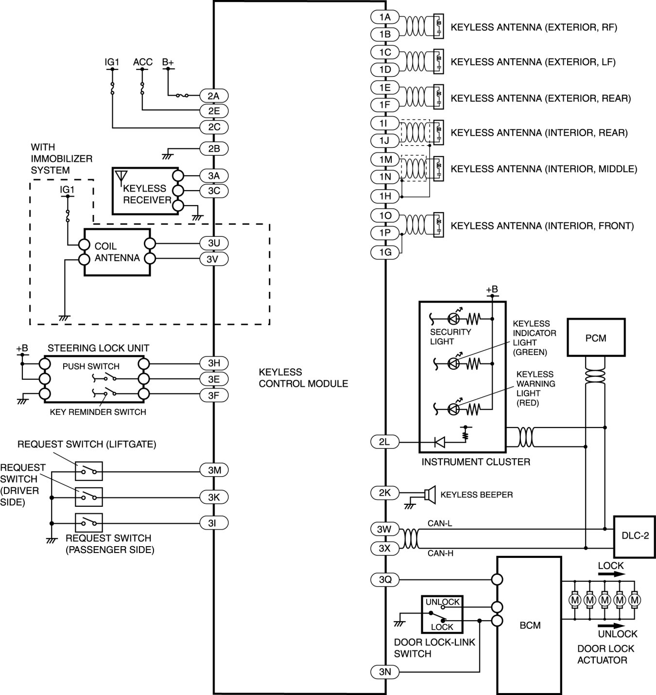
Keyless Entry System Wiring Diagram [Advanced Keyless And Start System]




KEYLESS ENTRY SYSTEM WIRING DIAGRAM [ADVANCED KEYLESS AND START SYSTEM]