LEMON Manuals: Even more car manuals for everyone: 1960-2025
Home >> Mazda >> 2010 >> 5 Touring, 2.3 3 >> Repair and Diagnosis >> Engine Performance >> Engine Control Systems >> Engine Control System [L3] >> Control System Wiring Diagram
April 5, 2026: LEMON Manuals is launched! Read the announcement.

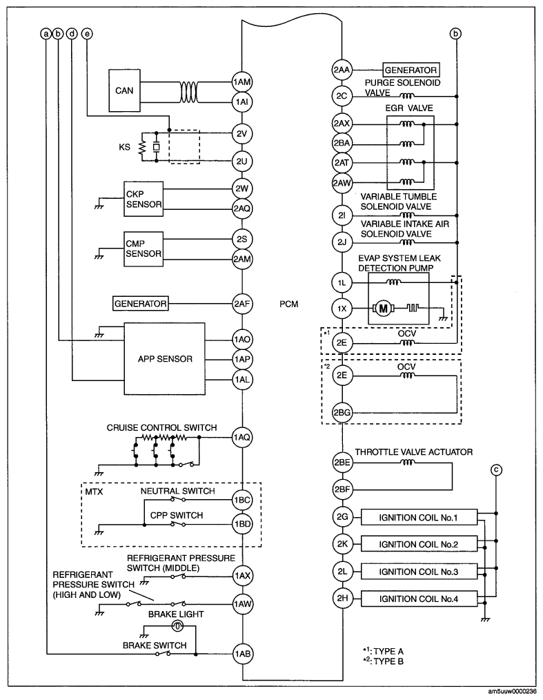
Control System Wiring Diagram

Fig 1: Control System - Wiring Diagram (1 Of 2)
G06760874Courtesy of MAZDA MOTORS CORP.
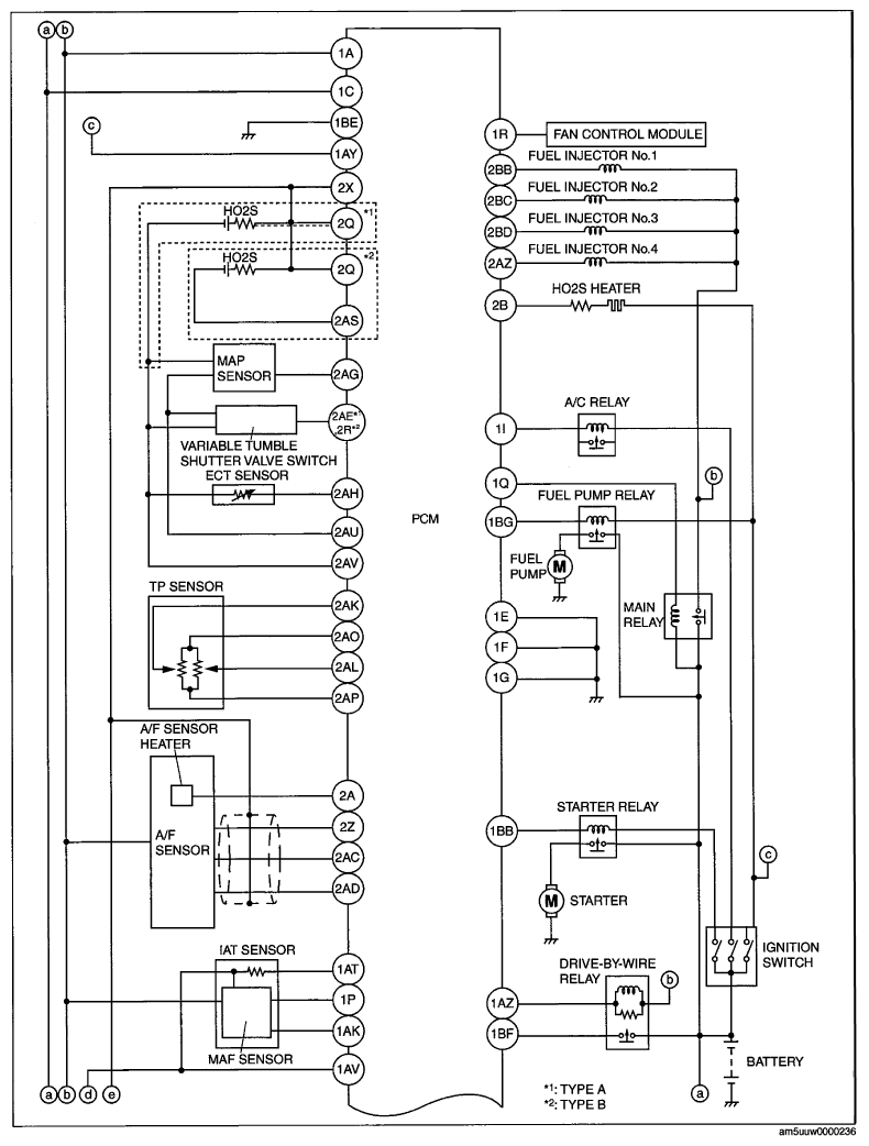
Fig 2: Control System - Wiring Diagram (2 Of 2)
G06760875Courtesy of MAZDA MOTORS CORP.