LEMON Manuals: Even more car manuals for everyone: 1960-2025
Home >> Mazda >> 2011 >> 2 Sport, 1.5 Z, Automatic >> Repair and Diagnosis >> Engine Performance >> Engine Control Systems >> Engine Control System MZR 1.5 >> CONTROL SYSTEM DIAGRAM Input device
April 5, 2026: LEMON Manuals is launched! Read the announcement.

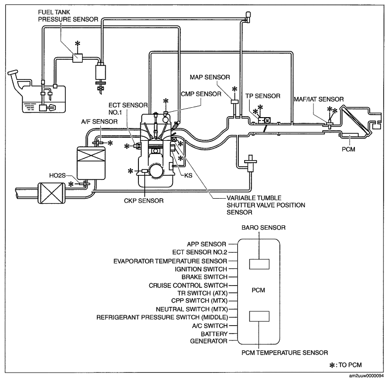
CONTROL SYSTEM DIAGRAM Input device

Input device 

Fig 1: Identifying Control System Input Device
G06940743Courtesy of MAZDA MOTORS CORP.

Output device 

Fig 2: Identifying Control System Output Device
G06940744Courtesy of MAZDA MOTORS CORP.