LEMON Manuals: Even more car manuals for everyone: 1960-2025
Home >> Mazda >> 2011 >> Tribute 2WD L4-2.5L >> Repair and Diagnosis >> Diagrams >> Exploded Views >> Engine >> Cylinder Head Assembly
April 5, 2026: LEMON Manuals is launched! Read the announcement.

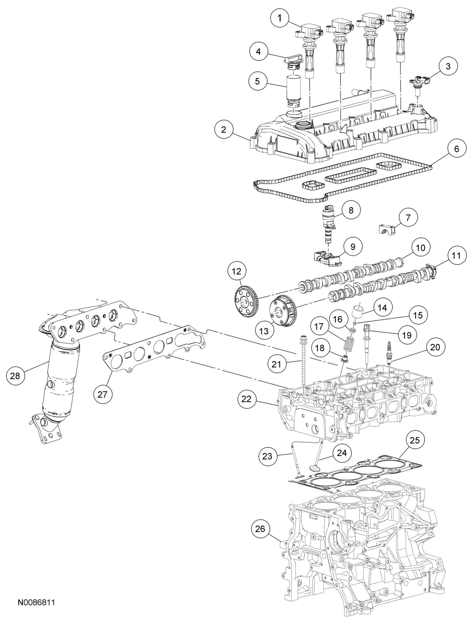
Cylinder Head Assembly




CYLINDER HEAD - HYBRID EXPLODED VIEW









1. For additional information, see the procedures.