LEMON Manuals: Even more car manuals for everyone: 1960-2025
Home >> Mazda >> 2012 >> 2 L4-1.5L >> Repair and Diagnosis >> Heating and Air Conditioning >> Control Assembly >> Service and Repair >> Overhaul
April 5, 2026: LEMON Manuals is launched! Read the announcement.

Overhaul





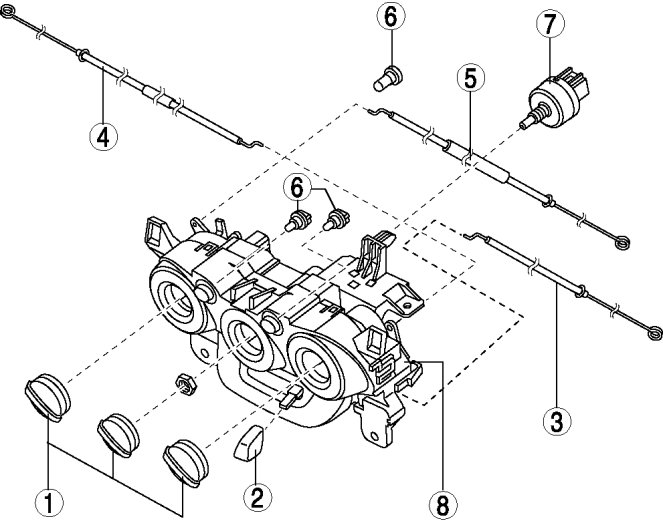
CLIMATE CONTROL UNIT DISASSEMBLY/ASSEMBLY [MANUAL AIR CONDITIONER]

1. Disassemble in the order indicated in the figure.










2. Assemble in the reverse order of disassembly.

Wire Removal Note

1. Remove in the order indicated in the figure.






Wire Installation Note

1. Install as shown in the figure.