LEMON Manuals: Even more car manuals for everyone: 1960-2025
Home >> Mazda >> 2013 >> CX-5 Sport, AWD >> Repair and Diagnosis >> Engine Performance >> Engine Control Systems >> Control System Wiring Diagram
April 5, 2026: LEMON Manuals is launched! Read the announcement.

Control System Wiring Diagram

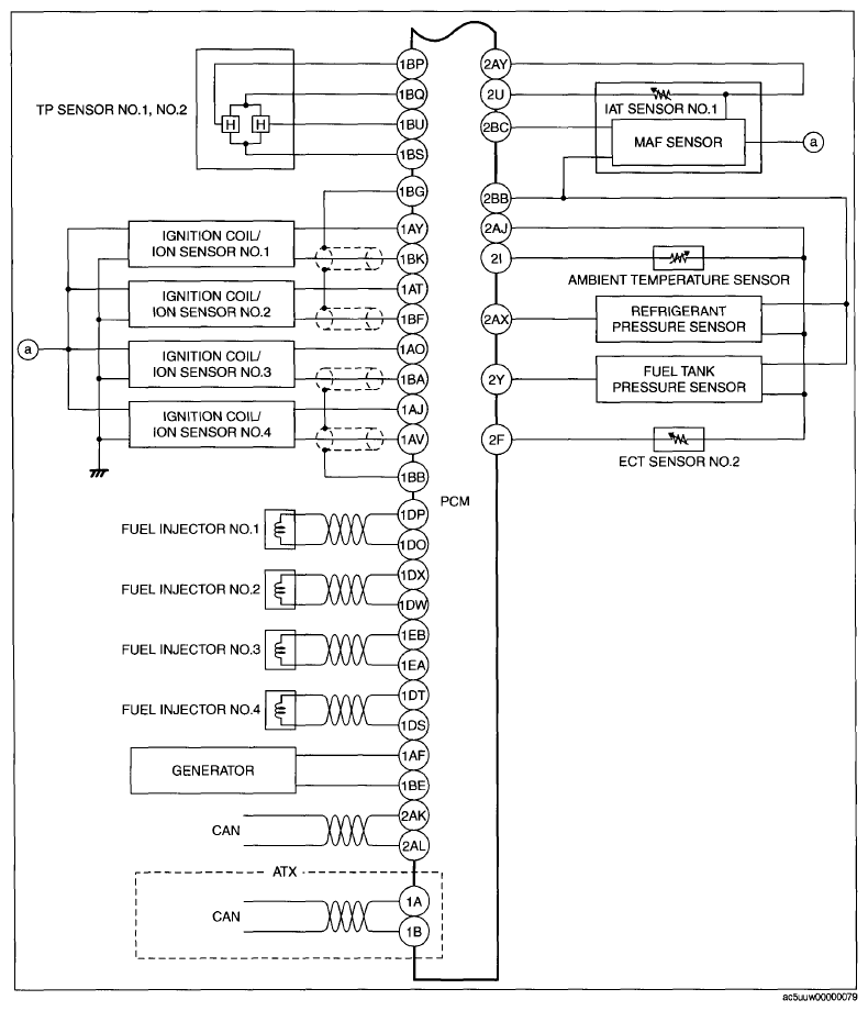
Fig 1: Control System - Wiring Diagram (1 Of 3)
G09074535
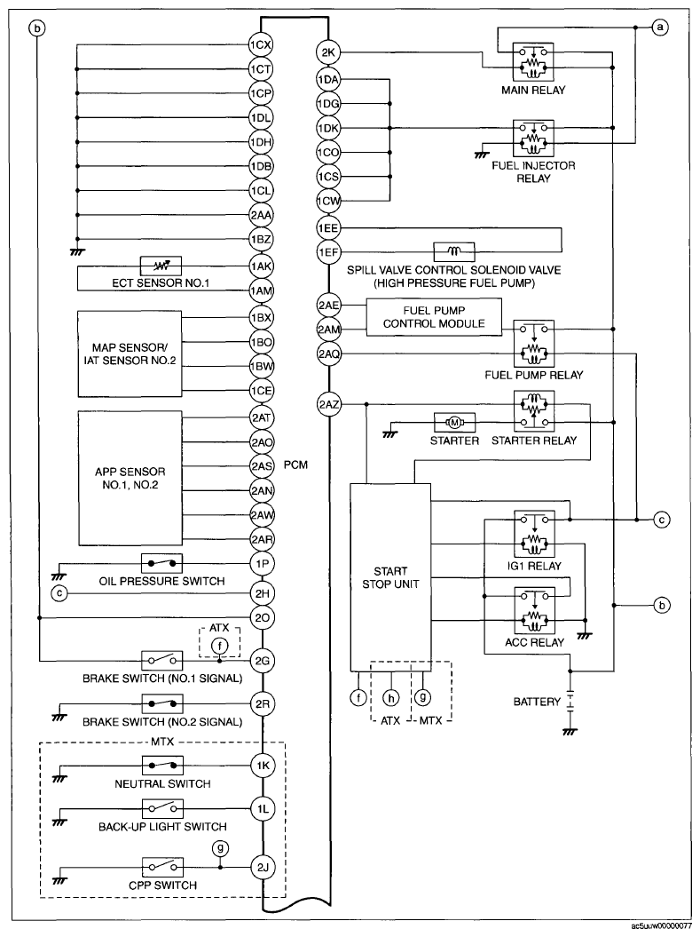
Fig 2: Control System - Wiring Diagram (2 Of 3)
G09074536
Fig 3: Control System - Wiring Diagram (3 Of 3)
G09074537