LEMON Manuals: Even more car manuals for everyone: 1960-2025
Home >> Mazda >> 2013 >> MX-5 Miata Club, Automatic Trans >> Repair and Diagnosis >> Engine Performance >> Engine Control Systems >> Control System Wiring Diagram
April 5, 2026: LEMON Manuals is launched! Read the announcement.

Control System Wiring Diagram

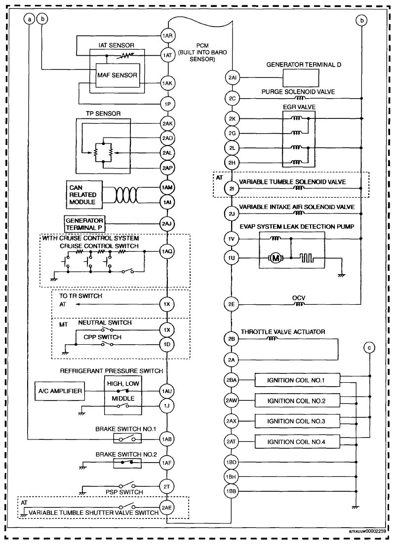
Fig 1: Control System Wiring Diagram - LF (1 Of 2)
G06151036Courtesy of MAZDA MOTORS CORP.
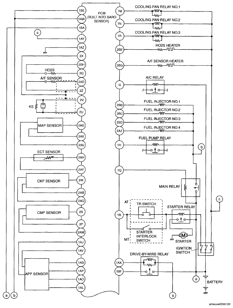
Fig 2: Control System Wiring Diagram - LF (2 Of 2)
G07877588Courtesy of MAZDA MOTORS CORP.