LEMON Manuals: Even more car manuals for everyone: 1960-2025
Home >> Mazda >> 2015 >> 3 SV, Automatic Trans >> Repair and Diagnosis (Single Page) >> Accessories & Equipment >> Communication Devices >> On-Board Diagnostic - Front Body Control Module (FBCM) >> On-Board Diagnostic Wiring Diagram [Front Body Control Module (FBCM)] >> CAN System
April 5, 2026: LEMON Manuals is launched! Read the announcement.

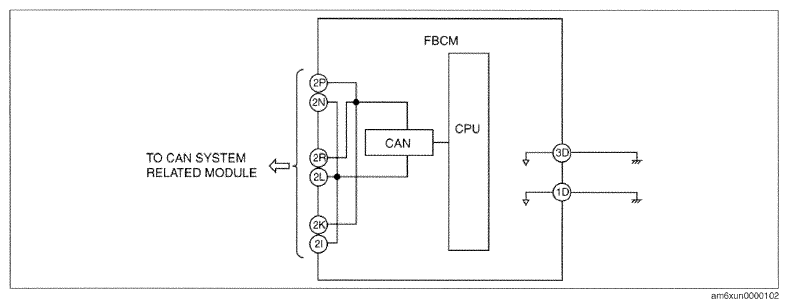
CAN System

Fig 1: On-Board Diagnostic - Wiring Diagram - CAN System
G09771781Courtesy of MAZDA MOTORS CORP.