LEMON Manuals: Even more car manuals for everyone: 1960-2025
Home >> Mazda >> 2015 >> 3 SV, Automatic Trans >> Repair and Diagnosis (Single Page) >> Quick Lookups >> Wiring Diagrams >> OEM Wiring System >> System Wiring Schematics/Diagrams >> Body Control & Accessories >> Lighting System >> AFS (Adaptive Front Light System)/Headlight Auto Leveling System
April 5, 2026: LEMON Manuals is launched! Read the announcement.

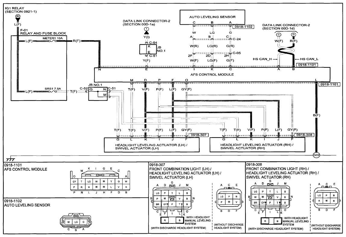
AFS (Adaptive Front Light System)/Headlight Auto Leveling System

Fig 1: Adaptive Front Light System/Headlight Auto Leveling System Communication Diagram (0918-10)
G09756540Courtesy of MAZDA MOTORS CORP.
Fig 2: Adaptive Front Light System/Headlight Auto Leveling System Wiring Harness Connectors (0918-10)
G09756541Courtesy of MAZDA MOTORS CORP.