LEMON Manuals: Even more car manuals for everyone: 1960-2025
Home >> Mazda >> 2015 >> CX-5 Touring, AWD >> Repair and Diagnosis >> Engine Performance >> Engine Control Systems >> Control System Diagram
April 5, 2026: LEMON Manuals is launched! Read the announcement.

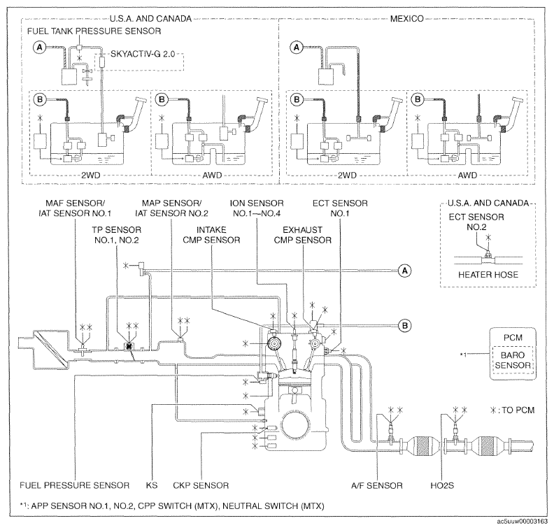
Control System Diagram

Fig 1: Control - System Diagram (Skyactiv-G 2.0, Skyactiv-G 2.5)
G09758670Courtesy of MAZDA MOTORS CORP.