LEMON Manuals: Even more car manuals for everyone: 1960-2025
Home >> Mazda >> 2015 >> CX-5 Touring, AWD >> Repair and Diagnosis >> Engine Performance >> Engine Control Systems >> Control System Wiring Diagram
April 5, 2026: LEMON Manuals is launched! Read the announcement.

Control System Wiring Diagram

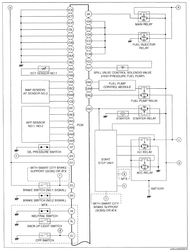
Fig 1: Control System - Wiring Diagram (Skyactiv-G 2.0, Skyactiv-G 2.5; 1 Of 3)
G09758671Courtesy of MAZDA MOTORS CORP.
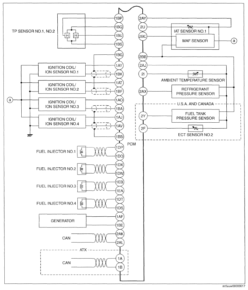
Fig 2: Control System - Wiring Diagram (Skyactiv-G 2.0, Skyactiv-G 2.5; 2 Of 3)
G09758672Courtesy of MAZDA MOTORS CORP.
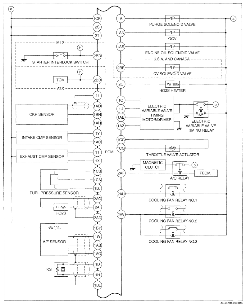
Fig 3: Control System - Wiring Diagram (Skyactiv-G 2.0, Skyactiv-G 2.5; 3 Of 3)
G09758673Courtesy of MAZDA MOTORS CORP.