LEMON Manuals: Even more car manuals for everyone: 1960-2025
Home >> Mazda >> 2016 >> 3 Sport, 4D Hatchback, Automatic Trans >> Repair and Diagnosis >> Engine Performance >> Engine Control Systems >> Control System Wiring Diagram
April 5, 2026: LEMON Manuals is launched! Read the announcement.

Control System Wiring Diagram

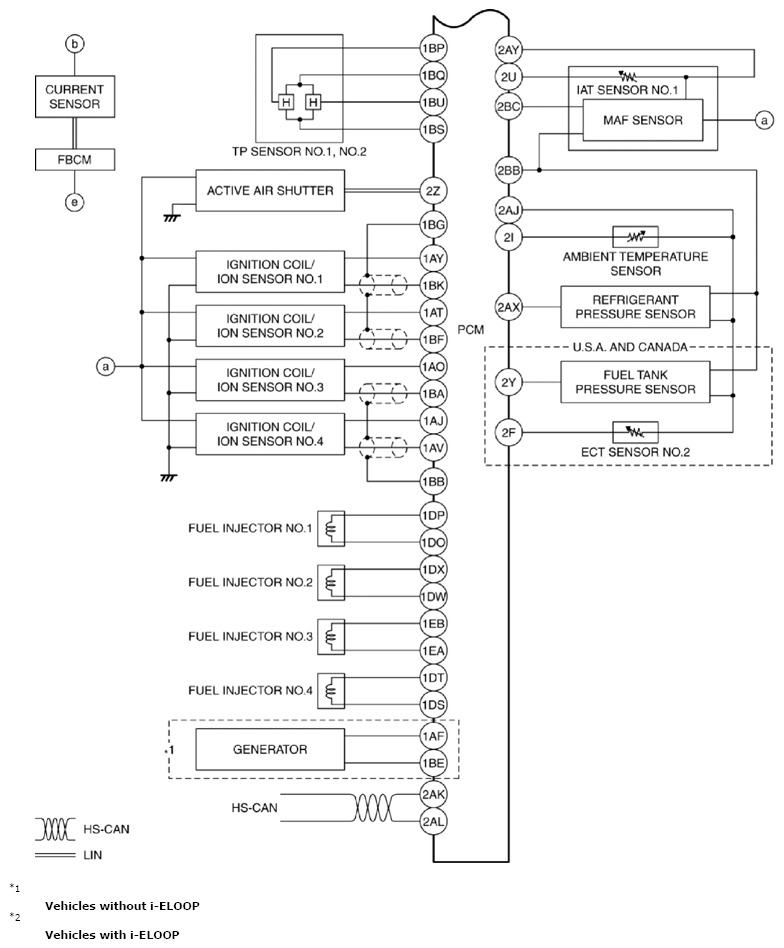
Fig 1: Control System Wiring Diagram (1 Of 3)
G10960267Courtesy of MAZDA
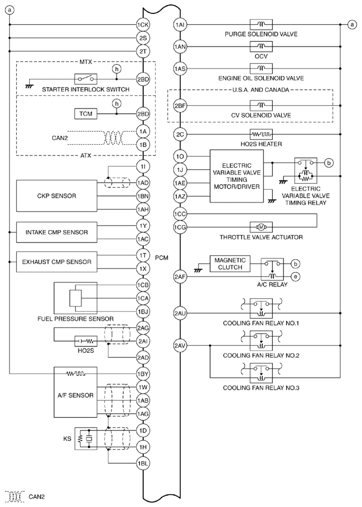
Fig 2: Control System Wiring Diagram (2 Of 3)
G10960268Courtesy of MAZDA
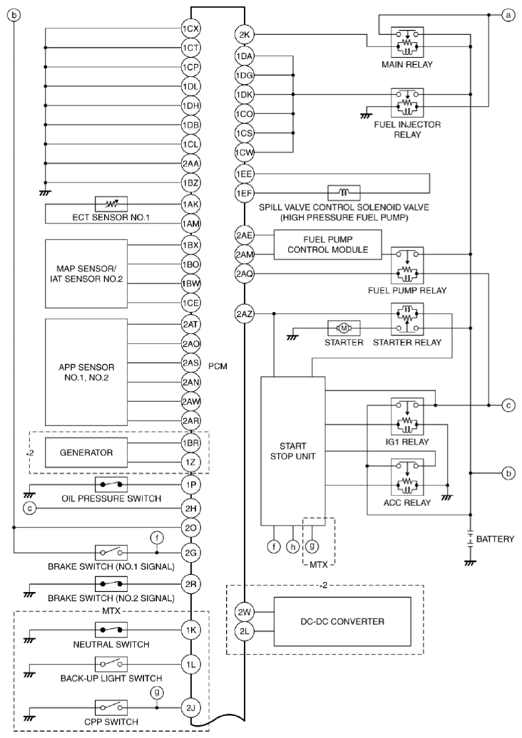
Fig 3: Control System Wiring Diagram (3 Of 3)
G10960269Courtesy of MAZDA