LEMON Manuals: Even more car manuals for everyone: 1960-2025
Home >> Mazda >> 2016 >> CX-5 Touring, AWD >> Repair and Diagnosis >> Engine Performance >> Engine Control Systems >> Engine Control System (Service Information) >> Control System Diagram
April 5, 2026: LEMON Manuals is launched! Read the announcement.

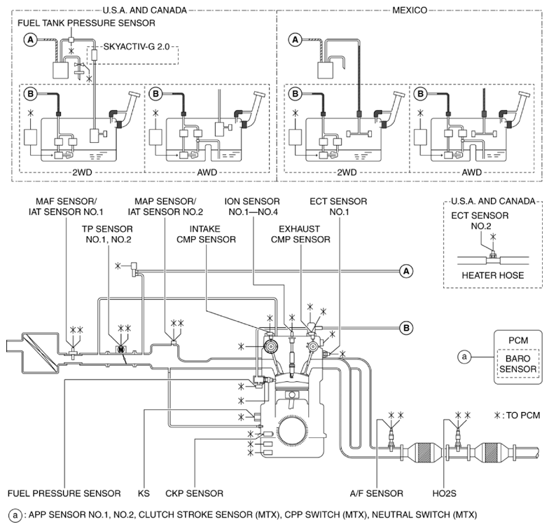
Control System Diagram

Fig 1: Control System Diagram
G10916517Courtesy of MAZDA MOTORS CORP.