LEMON Manuals: Even more car manuals for everyone: 1960-2025
Home >> Mazda >> 2017 >> CX-3 Touring, AWD >> Repair and Diagnosis >> Engine Performance >> Engine Control Systems >> Control System Diagram
April 5, 2026: LEMON Manuals is launched! Read the announcement.

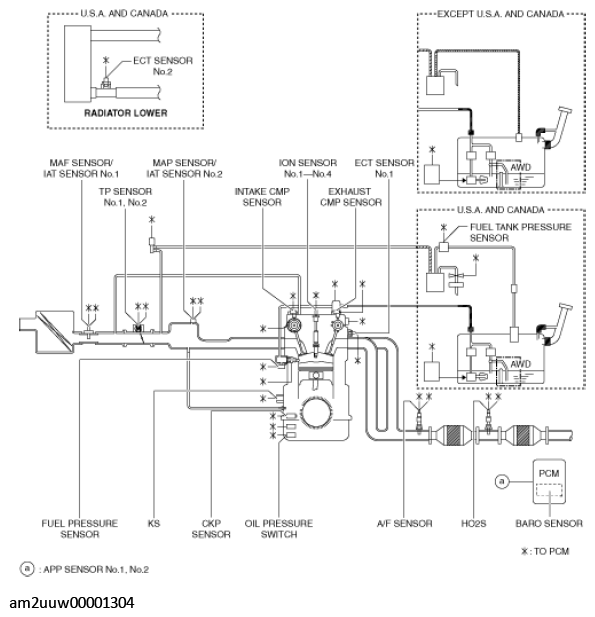
Control System Diagram

Fig 1: Control System Diagram (SKYACTIV-G 2.0)
G11435588Courtesy of MAZDA MOTORS CORP.