LEMON Manuals: Even more car manuals for everyone: 1960-2025
Home >> Mazda >> 2017 >> MX-5 Miata Club, Automatic Trans >> Repair and Diagnosis >> External Pages >> Different car >> Section 35 (On-Board Diagnostic (Adaptive Front Lighting System (AFS) Control Module)) >> On-Board Diagnostic Wiring Diagram [Adaptive Front Lighting System (AFS) Control Module]
April 5, 2026: LEMON Manuals is launched! Read the announcement.

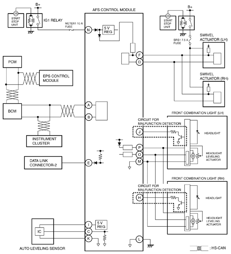
On-Board Diagnostic Wiring Diagram [Adaptive Front Lighting System (AFS) Control Module]

WARNING: This page is about a different car, the 2016 Mazda MX-5 Miata. However, it is still accessible from the selected car via links, so may be relevant.
Fig 1: AFS Control Module On-Board Diagnostic Wiring Diagram
G10955201Courtesy of MAZDA MOTORS CORP.