LEMON Manuals: Even more car manuals for everyone: 1960-2025
Home >> Mazda >> 2018 >> CX-9 Signature >> Repair and Diagnosis (Single Page) >> Accessories & Equipment >> Anti-Theft Systems >> Symptom Troubleshooting - Security And Locks >> Advanced Keyless Entry System Does Not Operate (Security And Locks) >> Notes
April 5, 2026: LEMON Manuals is launched! Read the announcement.

Advanced Keyless Entry System Does Not Operate (Security And Locks): Notes

ADVANCED KEYLESS ENTRY SYSTEM DOES NOT OPERATE (SECURITY AND LOCKS) DESCRIPTION AND POSSIBLE CAUSE

Description
  • The door locking operation using the door request switch is not possible.
  • The liftgate cannot be open using the liftgate opener switch.
Possible Causes
  • ROOM fuse malfunction or poor installation
  • Remote transmitter battery power low
  • Liftgate opener switch malfunction
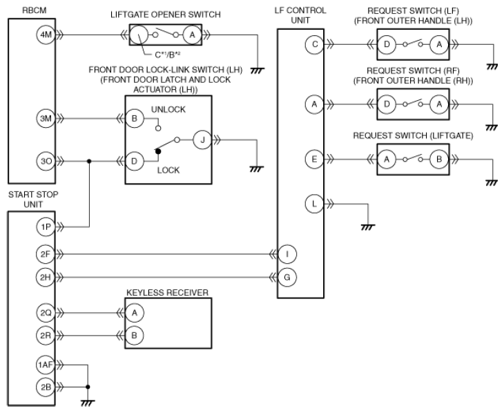
  • Open circuit in wiring harness between the following terminals:
    • Rear body control module (RBCM) terminal 4M and liftgate opener switch terminal C (liftgate opener switch connector 3-pin type)
    • Rear body control module (RBCM) terminal 4M and liftgate opener switch terminal B (liftgate opener switch connector 2-pin type)
    • LF control unit terminal C and request switch (LF) terminal D
    • LF control unit terminal A and request switch (RF) terminal D
    • LF control unit terminal E and request switch (liftgate) terminal A
    • Start stop unit terminal 1P and door lock link switch (LH) terminal D
    • Start stop unit terminal 2F and LF control unit terminal I
    • Start stop unit terminal 2H and LF control unit terminal G
    • Start stop unit terminal 2Q and keyless receiver terminal A
    • Start stop unit terminal 2R and keyless receiver terminal B
  • Open or poor ground circuit between the following terminals:
    • Request switch (LF) terminal A and ground
    • Request switch (RF) terminal A and ground
    • Request switch (liftgate) terminal B and ground
    • Front door latch and lock actuator (LH) terminal J and ground
    • Liftgate opener switch terminal A and ground
    • Start stop unit terminal 1AF and ground
    • Start stop unit terminal 2B and ground
    • LF control unit terminal L and ground
  • Short to ground in wiring harness between start stop unit terminal 1P and door lock link switch (LH) terminal D
  • Connector poor contact or terminal damage
  • Customer's mis-operation or misunderstanding
G12264116
Fig 1: Advanced Keyless Entry System Connector Terminals And Connector End View
G12264117Courtesy of MAZDA MOTORS CORP.
  1. Liftgate opener switch connector 3-pin type
  2. Liftgate opener switch connector 2-pin type