LEMON Manuals: Even more car manuals for everyone: 1960-2025
Home >> Mazda >> 2020 >> CX-3 AWD >> Repair and Diagnosis (Single Page) >> Accessories & Equipment >> Memory Modules >> On-Board Diagnostic - Position Memory Control Module >> On-Board Diagnostic Wiring Diagram
April 5, 2026: LEMON Manuals is launched! Read the announcement.

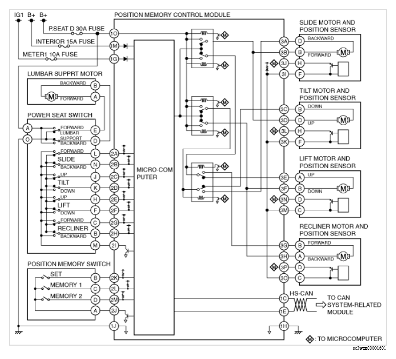
On-Board Diagnostic Wiring Diagram

G13151739Courtesy of MAZDA MOTORS CORP.