LEMON Manuals: Even more car manuals for everyone: 1960-2025
Home >> Mazda >> 2021 >> CX-3 FWD >> Repair and Diagnosis >> Engine Performance >> Engine Control Systems >> Control System Wiring Diagram >> With coolant control valve
April 5, 2026: LEMON Manuals is launched! Read the announcement.

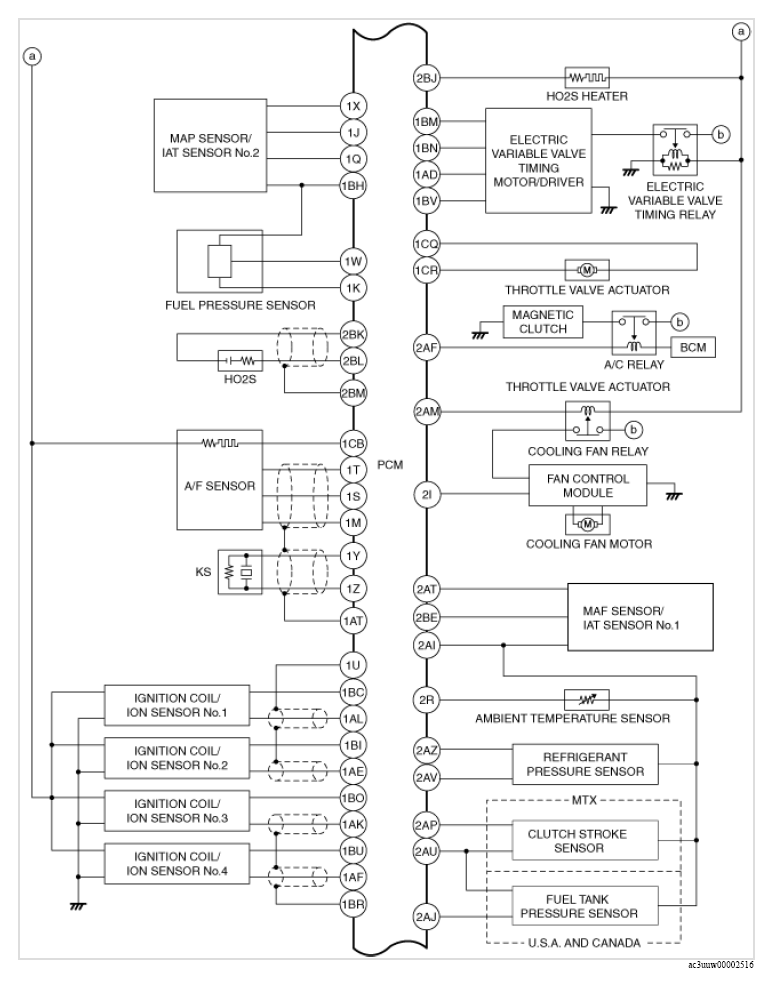
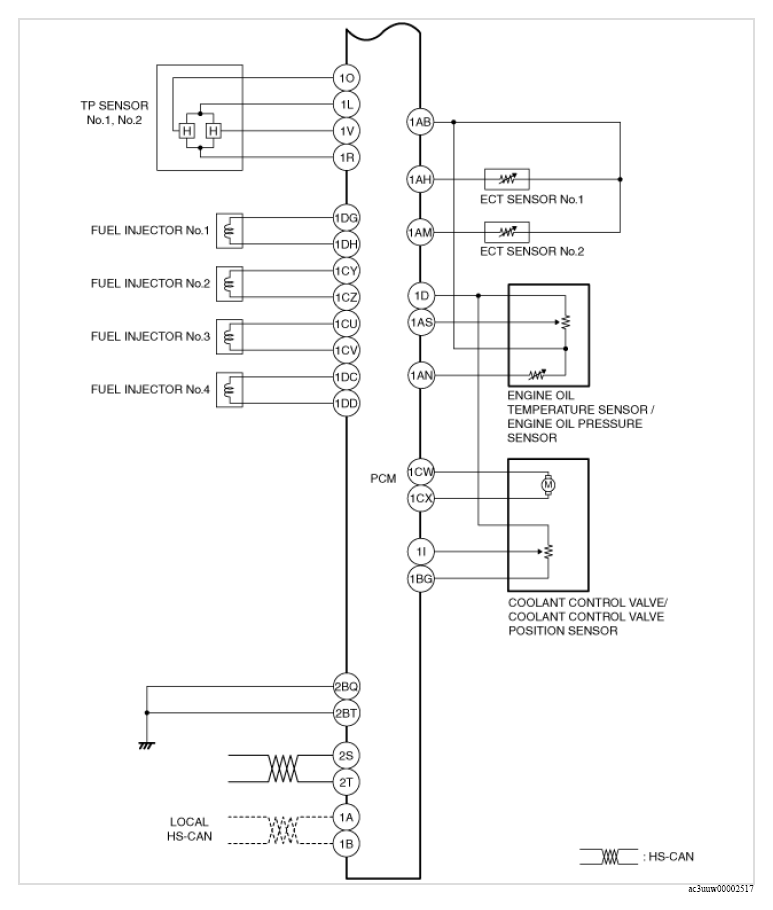
With coolant control valve

G13149711Courtesy of MAZDA MOTORS CORP.
G13149712Courtesy of MAZDA MOTORS CORP.
G13149713Courtesy of MAZDA MOTORS CORP.