LEMON Manuals: Even more car manuals for everyone: 1960-2025
Home >> Mercedes Benz >> 2017 >> CLS400 Base >> Repair and Diagnosis (Single Page) >> Electrical >> Charging Systems >> Electrical System, Equipment & Instruments - 218 Chassis - 3 Of 4 >> Wiring Diagrams >> Wiring Diagram / Rear Sam Control Unit With Fuse and Relay Module (N10/2) >> Wiring Diagram / Rear Sam Control Unit With Fuse and Relay Module (N10/2) - PE54.21-P-2108-97XAE
April 5, 2026: LEMON Manuals is launched! Read the announcement.

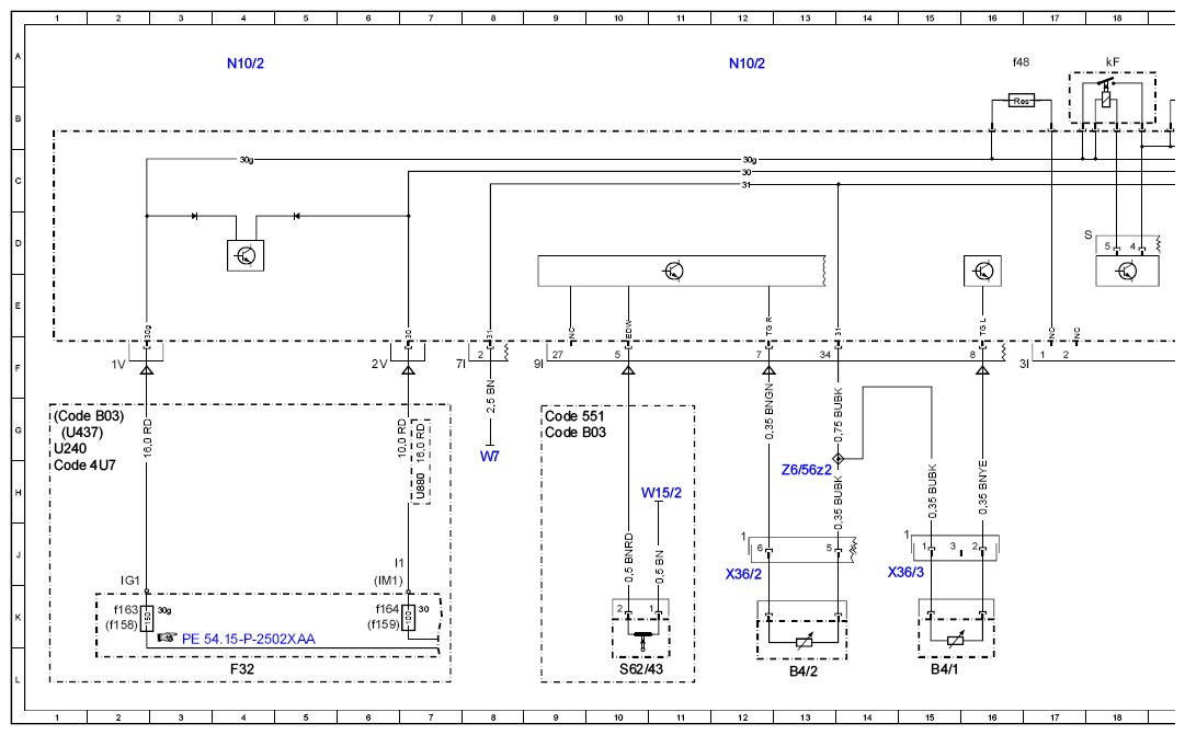
Wiring Diagram / Rear Sam Control Unit With Fuse and Relay Module (N10/2) - PE54.21-P-2108-97XAE

Code: Designation: Position:
A0 Color code key 56L
B4/1 Fuel tank fuel level indicator fill level sensor, left 15L
B4/2 Fuel tank fuel level indicator fill level sensor, right 13L
Code 475 Tire pressure monitor 47G
Code 4U7 Start/stop voltage dip protection 1H
Code 551 Anti-theft alarm system (ATA [EDW]) 9G
Code B03 ECO start/stop function 9G
Code B03 ECO start/stop function 1G
Code B54 Live Traffic Information 43G
F32 Front electrical prefuse box 4L
F32f158 Prefuse 158 2K
F32f159 Prefuse 159 6K
F32f163 Prefuse 163 2K
F32f164 Prefuse 164 6K
N10/2 Rear SAM control unit with fuse and relay module 12A
N10/2 Rear SAM control unit with fuse and relay module 20A
N10/2 Rear SAM control unit with fuse and relay module 28A
N10/2 Rear SAM control unit with fuse and relay module 36A
N10/2 Rear SAM control unit with fuse and relay module 49A
N10/2 Rear SAM control unit with fuse and relay module 4A
N10/2 Rear SAM control unit with fuse and relay module 44A
N10/2f39 Fuse 39 26A
N10/2f40 Fuse 40 37A
N10/2f41 Fuse 41 34A
N10/2f42 Fuse 42 40A
N10/2f43 Fuse 43 47A
N10/2f44 Fuse 44 19A
N10/2f45 Fuse 45 21A
N10/2f48 Fuse 48 16A
N10/2kD Fuel pump relay 43A
N10/2kF Seat adjustment relay 18A
N112/2 Telematics services communication module 45L
N118 Fuel pump control unit 41L
N69/1 Left front door control unit 28L
N69/2 Right front door control unit 36L
N69/3 Left rear door control unit 24L
N69/4 Right rear door control unit 32L
N88 Tire pressure monitor control unit 49L
S62/43 Left engine hood contact switch 10L
U1018 Valid for gasoline engine 276 38G
U1019 Valid for gasoline engine 278 38H
U1028 Valid for engine 157 38H
U1028 Valid for engine 157 39H
U12 Valid for left-hand drive vehicles 22G
U12 Valid for left-hand drive vehicles 34G
U13 Valid for right-hand drive vehicles 26G
U13 Valid for right-hand drive vehicles 30G
U240 Valid for all except ECO start/stop function 1G
U284 Valid for fully electric seat adjustment 19K
U362 Valid for gasoline engine 274 39G
U437 Valid without code (4U7) Start/stop voltage dip protection 1G
U74 Valid for diesel engines 38G
U880 Valid for diesel engine 642 7H
W15/2 Left footwell ground point 10H
W7 Right rear wheel well ground point 8H
X1/60 Tire pressure monitor electrical connector 49J
X35/3 Left rear door electrical connector 24J
X35/4 Right rear door electrical connector 32J
X36/2 Fuel pump and vehicle rear wiring harness electrical connector 12J
X36/3 Fuel pump harness electrical connector 15J
Z6/56z2 Circuit 31 connector sleeve 13H
G12630465Courtesy of MERCEDES-BENZ USA
G12630466Courtesy of MERCEDES-BENZ USA
G12630467Courtesy of MERCEDES-BENZ USA