LEMON Manuals: Even more car manuals for everyone: 1960-2025
Home >> Mercedes Benz >> 2017 >> CLS400 Base >> Repair and Diagnosis (Single Page) >> Electrical >> Charging Systems >> Electrical System, Equipment & Instruments - 218 Chassis - 3 Of 4 >> Wiring Diagrams >> Wiring Diagram of Front Sam Control Unit With Fuse and Relay Module (N10/1) >> Wiring Diagram of Front Sam Control Unit With Fuse and Relay Module (N10/1) - PE54.21-P-2106-97XAA
April 5, 2026: LEMON Manuals is launched! Read the announcement.

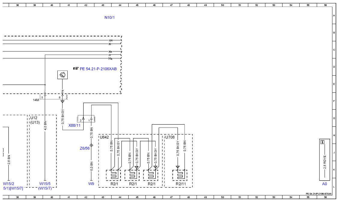
Wiring Diagram of Front Sam Control Unit With Fuse and Relay Module (N10/1) - PE54.21-P-2106-97XAA

Code: Designation: Position:
A0 Color code key 56L
Code 4U7 Start/stop voltage dip protection 1H
Code B03 ECO start/stop function 1G
Code B03 ECO start/stop function 9H
F32 Front electrical prefuse box 6L
F32f153 Prefuse 153 8K
F32f154 Prefuse 154 3K
F32f156 Prefuse 156 8K
F32f156 Prefuse 156 4K
F32f157 Prefuse 157 3K
F32f162 Prefuse 162 4K
LIN 2 Wiper/inside rearview mirror LIN 29F
LIN 2 Wiper/inside rearview mirror LIN 34F
M6/1 Wiper motor 34L
N10/1 Front SAM control unit with fuse and relay module 5A
N10/1 Front SAM control unit with fuse and relay module 12A
N10/1 Front SAM control unit with fuse and relay module 20A
N10/1 Front SAM control unit with fuse and relay module 29A
N10/1 Front SAM control unit with fuse and relay module 36A
N10/1 Front SAM control unit with fuse and relay module 43A
N10/1f10 Fuse 10 33A
N10/1f27 Fuse 27 14A
N10/1kK Circuit 15R relay 28A
N10/1kL Wiper park position heater relay 35A
N3/10 ME-SFI [ME] control unit 15L
N3/10 ME-SFI [ME] control unit 19L
N3/9 CDI control unit 11L
N70 Overhead control panel control unit 31L
N70/3 Overhead control panel electronics 27L
N73 Electronic ignition switch control unit 23L
R2/1 Spray nozzle heater 45L
R2/1 Spray nozzle heater 44L
R2/1 Spray nozzle heater 46L
R2/10 Wiper park heater 36L
R2/10x1 Wiper park position heater electrical connector 35J
R2/11 Spray nozzle hose heater 47L
U1032 Valid for engine 278 and 157 13G
U1073 Valid for gasoline engine 276.9 13G
U113 Valid for 2-zone THERMATIC 37J
U12 Valid for left-hand drive vehicles 33G
U12 Valid for left-hand drive vehicles 37H
U12 Valid for left-hand drive vehicles 39G
U13 Valid for right-hand drive vehicles 33G
U13 Valid for right-hand drive vehicles 37J
U13 Valid for right-hand drive vehicles 39G
U240 Valid for all except ECO start/stop function 1H
U362 Valid for gasoline engine 274 17G
U391 Valid for gasoline engine 276.8 17G
U437 Valid without code (4U7) Start/stop voltage dip protection 1G
U708 Valid for spray nozzle hose heater 47H
U709 Valid for wiper park position heater 35G
U842 Valid for spray nozzle heater 43H
U880 Valid for diesel engine 642 9G
U880 Valid for diesel engine 642 37J
U89 Valid for tilting/sliding roof 29G
U897 Valid for intelligent servo module for DIRECT SELECT 21G
U940 Valid without DIRECT SELECT 21G
U948 Valid for diesel engine 651 9G
U991 Valid for all except tilting/sliding roof 25G
W15/1 Right footwell ground point 37L
W15/2 Left footwell ground point 37L
W15/5 Left front footwell ground point 39L
W15/7 Right front footwell ground point 38L
W15/7 Right front footwell ground point 39L
W9 Left front ground point (at lamp unit) 42L
X88/11 Spray nozzle heater electrical connector 41H
Z6/56 Circuit 31 connector sleeve 42J
G12630299Courtesy of MERCEDES-BENZ USA
G12630300Courtesy of MERCEDES-BENZ USA
G12630301Courtesy of MERCEDES-BENZ USA