LEMON Manuals: Even more car manuals for everyone: 1960-2025
Home >> Mercedes Benz >> 2017 >> CLS400 Base >> Repair and Diagnosis (Single Page) >> Electrical >> Charging Systems >> Electrical System, Equipment & Instruments - 218 Chassis - 3 Of 4 >> Wiring Diagrams >> Wiring Diagram of Front Sam Control Unit With Fuse and Relay Module (N10/1) >> Wiring Diagram of Front Sam Control Unit With Fuse and Relay Module (N10/1) - PE54.21-P-2106-97XAD
April 5, 2026: LEMON Manuals is launched! Read the announcement.

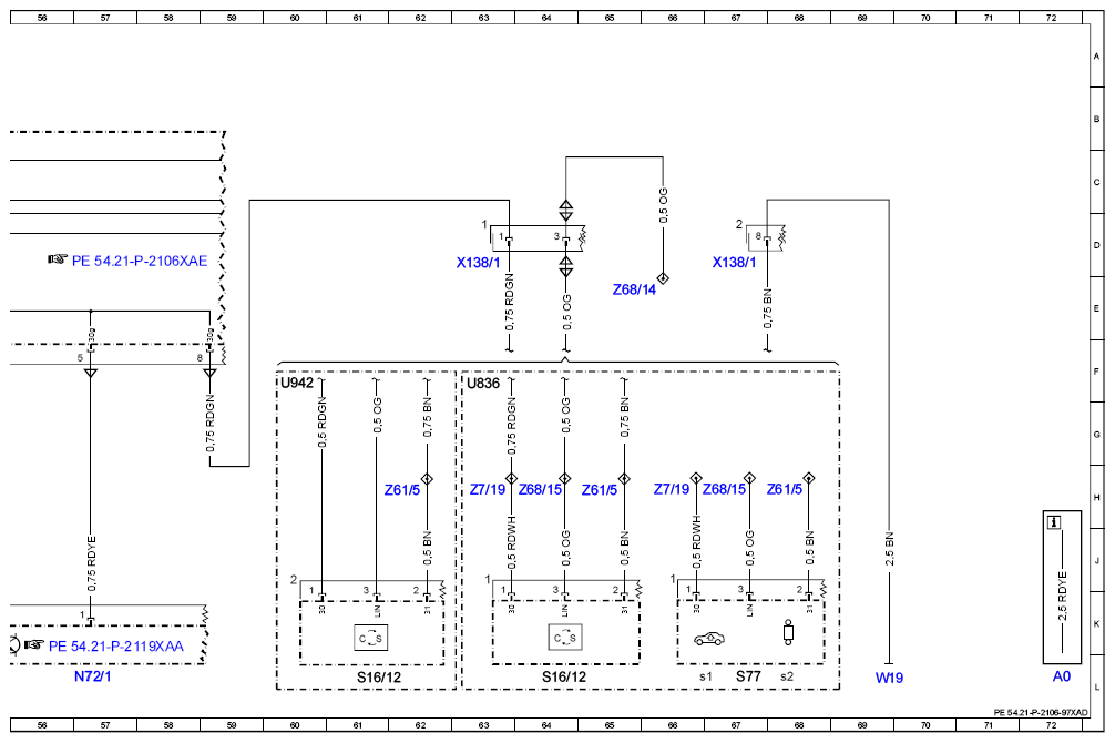
Wiring Diagram of Front Sam Control Unit With Fuse and Relay Module (N10/1) - PE54.21-P-2106-97XAD

Code: Designation: Position:
A0 Color code key 72L
CAN B Interior CAN 49K
CAN B Interior CAN 46K
Code 4U7 Start/stop voltage dip protection 1G
Code B03 ECO start/stop function 1G
E17/15 Right front footwell lamp 36L
E17/16 Left front footwell lamp 34L
E17/17 Left rear footwell lamp 18L
E17/18 Right rear footwell lamp 21L
E36/1 Center console armrest stowage compartment switch and controls illumination 9L
F32 Front electrical prefuse box 5L
F32f153 Prefuse 153 7K
F32f154 Prefuse 154 2K
F32f156 Prefuse 156 7K
F32f156 Prefuse 156 3K
F32f157 Prefuse 157 2K
F32f162 Prefuse 162 3K
N10/1 Front SAM control unit with fuse and relay module 12A
N10/1 Front SAM control unit with fuse and relay module 20A
N10/1 Front SAM control unit with fuse and relay module 28A
N10/1 Front SAM control unit with fuse and relay module 36A
N10/1 Front SAM control unit with fuse and relay module 44A
N10/1 Front SAM control unit with fuse and relay module 52A
N10/1 Front SAM control unit with fuse and relay module 4A
N10/1f12 Fuse 12 54A
N10/1f17 Fuse 17 45A
N22/7 Automatic air conditioning control and operating unit 53L
N69/1 Left front door control unit 25L
N69/2 Right front door control unit 25L
N70 Overhead control panel control unit 14L
N70 Overhead control panel control unit 45L
N70/3 Overhead control panel electronics 40L
N70/3 Overhead control panel electronics 14L
N70/3b1 Interior temperature sensor with integrated fan 42L
N70b1 Interior temperature sensor with integrated fan 46L
N72/1 Upper control panel control unit 57L
N73 Electronic ignition switch control unit 28L
R3 Front cigarette lighter with ashtray illumination 11L
R3e1 Ashtray illumination 11L
R3x1 Front cigarette lighter with ashtray illumination electrical connector 11J
S16/12 Automatic transmission mode button 61L
S16/12 Automatic transmission mode button 64L
S77 Suspension button group 67L
S77s1 Electronic level control button 66L
S77s2 Comfort and Sport button 68L
U1 Valid for USA 12G
U112 Valid for footwell lamps 34G
U112 Valid for footwell lamps 16G
U113 Valid for 2-zone THERMATIC 51G
U114 Valid for 3-zone THERMOTRONIC 51G
U12 Valid for left-hand drive vehicles 34H
U12 Valid for left-hand drive vehicles 16G
U12 Valid for left-hand drive vehicles 23G
U13 Valid for right-hand drive vehicles 34H
U13 Valid for right-hand drive vehicles 16G
U13 Valid for right-hand drive vehicles 23G
U240 Valid for all except ECO start/stop function 1G
U437 Valid without code (4U7) Start/stop voltage dip protection 1G
U836 Valid for AIRMATIC 63F
U89 Valid for tilting/sliding roof 12G
U89 Valid for tilting/sliding roof 43G
U897 Valid for intelligent servo module for DIRECT SELECT 23G
U942 Valid without AIRMATIC 60F
U991 Valid for all except tilting/sliding roof 12G
U991 Valid for all except tilting/sliding roof 38G
W15/5 Left front footwell ground point 37G
W15/7 Right front footwell ground point 37G
W18 Left front seat crossmember ground point 17L
W18 Left front seat crossmember ground point 9F
W19 Right front seat crossmember ground point 69L
W19 Right front seat crossmember ground point 20L
X138/1 Front center console electrical connector 63D
X138/1 Front center console electrical connector 67D
X18/37 Emergency call system button electrical connector 13H
X29/5 Armrest stowage compartment interior illumination electrical connector 9H
X30/32 Left vehicle floor interior CAN voltage distributor electrical connector 49L
X55/3 Driver seat connector block 18H
X55/3 Driver seat connector block 21J
X55/4 Front passenger seat connector block 21H
X55/4 Front passenger seat connector block 17J
Z50/1 Circuit 58d instrument panel connector sleeve 32H
Z50/3z1 Circuit 31 instrument panel connector sleeve 36H
Z51/6 Circuit 58d vehicle interior connector sleeve 10G
Z6/85 Sensor ground connector sleeve 52H
Z61/5 Center console wiring harness circuit 31 connector sleeve 62H
Z61/5 Center console wiring harness circuit 31 connector sleeve 68H
Z61/5 Center console wiring harness circuit 31 connector sleeve 65H
Z68/14 Cockpit LIN bus connector sleeve 65E
Z68/15 Center console LIN bus connector sleeve 67H
Z68/15 Center console LIN bus connector sleeve 64H
Z6z2 Circuit 31 connector sleeve 37J
Z7/19 Circuit 30 (fused) connector sleeve 66H
Z7/19 Circuit 30 (fused) connector sleeve 63H
Z7/21 Air conditioning circuit 30 connector sleeve 51H
G12630311Courtesy of MERCEDES-BENZ USA
G12630312Courtesy of MERCEDES-BENZ USA
G12630313Courtesy of MERCEDES-BENZ USA
G12630314Courtesy of MERCEDES-BENZ USA