LEMON Manuals: Even more car manuals for everyone: 1960-2025
Home >> Mercedes Benz >> 2017 >> CLS400 Base >> Repair and Diagnosis (Single Page) >> Electrical >> Charging Systems >> Electrical System, Equipment & Instruments - 218 Chassis - 3 Of 4 >> Wiring Diagrams >> Wiring Diagram of Front Sam Control Unit With Fuse and Relay Module (N10/1) >> Wiring Diagram of Front Sam Control Unit With Fuse and Relay Module (N10/1) - PE54.21-P-2106-97XAF
April 5, 2026: LEMON Manuals is launched! Read the announcement.

Wiring Diagram of Front Sam Control Unit With Fuse and Relay Module (N10/1) - PE54.21-P-2106-97XAF

Code: Designation: Position:
A0 Color code key 104L
A1 Instrument cluster 93L
A32 AC housing 56L
A32m1 Blower motor 58L
A32m1x1 Blower motor electrical connector 58H
A32n1 Blower regulator 55L
A32x1 Air conditioner housing electrical connector 55J
A32z1 Air conditioner housing connector sleeve 56H
CAN B Interior CAN 88K
CAN B Interior CAN 91K
CAN E Chassis CAN 84K
CAN E Chassis CAN 94K
Code 474 Diesel particulate filter 19H
Code B03 ECO start/stop function 21G
Code B03 ECO start/stop function 25G
Code B03 ECO start/stop function 19G
Code U42 BlueTEC diesel exhaust treatment 45G
Code U42 BlueTEC diesel exhaust treatment 12G
Code U77 BLUETEC (SCR) diesel exhaust treatment 45G
Code U77 BLUETEC (SCR) diesel exhaust treatment 12H
Code U77 BLUETEC (SCR) diesel exhaust treatment 29G
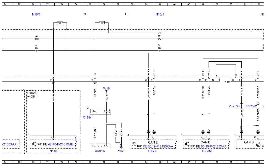
N10/1 Front SAM control unit with fuse and relay module 20A
N10/1 Front SAM control unit with fuse and relay module 29A
N10/1 Front SAM control unit with fuse and relay module 36A
N10/1 Front SAM control unit with fuse and relay module 53A
N10/1 Front SAM control unit with fuse and relay module 60A
N10/1 Front SAM control unit with fuse and relay module 68A
N10/1 Front SAM control unit with fuse and relay module 76A
N10/1 Front SAM control unit with fuse and relay module 85A
N10/1 Front SAM control unit with fuse and relay module 92A
N10/1 Front SAM control unit with fuse and relay module 45A
N10/1f1 Fuse 1 56A
N10/1f14 Fuse 14 52A
N10/1f2 Fuse 2 72A
N10/1f20 Fuse 20 53A
N10/1f25 Fuse 25 39A
N10/1f28 Fuse 28 96A
N10/1f3 Fuse 3 65A
N10/1f4 Fuse 4 80A
N10/1f6 Fuse 6 15A
N10/1f7 Fuse 7 16A
N10/1f9 Fuse 9 83A
N10/1kM Starter circuit 50 relay 18A
N118 Fuel pump control unit 77L
N3/10 ME-SFI [ME] control unit 3L
N3/10 ME-SFI [ME] control unit 7L
N3/9 CDI control unit 13L
N3/9 CDI control unit 20L
N3/9 CDI control unit 30L
N30/4 Electronic Stability Program control unit 51L
N30/7 Premium Electronic Stability Program control unit 51L
N69/1 Left front door control unit 69L
N69/2 Right front door control unit 61L
N69/3 Left rear door control unit 73L
N69/4 Right rear door control unit 65L
U1008 Not valid for BlueTEC 11G
U1018 Valid for gasoline engine 276 36G
U1019 Valid for gasoline engine 278 2G
U1019 Valid for gasoline engine 278 36G
U1019 Valid for gasoline engine 278 39G
U1028 Valid for engine 157 2G
U1028 Valid for engine 157 36G
U1028 Valid for engine 157 76G
U1073 Valid for gasoline engine 276.9 2G
U1073 Valid for gasoline engine 276.9 39G
U113 Valid for 2-zone THERMATIC 54G
U114 Valid for 3-zone THERMOTRONIC 54H
U12 Valid for left-hand drive vehicles 52H
U12 Valid for left-hand drive vehicles 63G
U12 Valid for left-hand drive vehicles 67G
U13 Valid for right-hand drive vehicles 54G
U13 Valid for right-hand drive vehicles 59G
U13 Valid for right-hand drive vehicles 71G
U362 Valid for gasoline engine 274 6G
U362 Valid for gasoline engine 274 36H
U362 Valid for gasoline engine 274 42G
U391 Valid for gasoline engine 276.8 2H
U391 Valid for gasoline engine 276.8 42G
U880 Valid for diesel engine 642 33G
U880 Valid for diesel engine 642 9G
U938 Valid for ESP Basic 48G
U939 Valid for ESP Premium 48G
U948 Valid for diesel engine 651 33G
U948 Valid for diesel engine 651 39G
U948 Valid for diesel engine 651 17G
U948 Valid for diesel engine 651 28G
U948 Valid for diesel engine 651 25G
W19 Right front seat crossmember ground point 81F
X138/1 Front center console electrical connector 80J
X18 Vehicle interior and harness for taillamp electrical connector 55H
X30/30 Vehicle floor chassis CAN voltage distributor electrical connector 84L
X30/32 Left vehicle floor interior CAN voltage distributor electrical connector 88L
X35/3 Left rear door electrical connector 73J
X35/4 Right rear door electrical connector 65J
X58/25 Center console socket 81L
Z37/6z1 Chassis CAN (high) connector sleeve 94H
Z37/6z2 Interior CAN (high) connector sleeve 91H
Z37/7z1 Chassis CAN (low) connector sleeve 93H
Z37/7z2 Interior CAN (low) connector sleeve 90H
Z3z1 Tml. 15 connector sleeve 13J
Z3z1 Tml. 15 connector sleeve 22J
Z3z1 Tml. 15 connector sleeve 30J
Z6/79 Front center console circuit 31 connector sleeve 82L
Z7/35 Circuit 87 M1e connector sleeve 17H
G12630318Courtesy of MERCEDES-BENZ USA
G12630319Courtesy of MERCEDES-BENZ USA
G12630320Courtesy of MERCEDES-BENZ USA
G12630321Courtesy of MERCEDES-BENZ USA
G12630322Courtesy of MERCEDES-BENZ USA
G12630323Courtesy of MERCEDES-BENZ USA