LEMON Manuals: Even more car manuals for everyone: 1960-2025
Home >> Mercedes Benz >> 2017 >> CLS400 Base >> Repair and Diagnosis (Single Page) >> Electrical >> Charging Systems >> Electrical System, Equipment & Instruments - 218 Chassis - 3 Of 4 >> Wiring Diagrams >> Wiring Diagram of Front Sam Control Unit With Fuse and Relay Module (N10/1) >> Wiring Diagram of Front Sam Control Unit With Fuse and Relay Module (N10/1) - PE54.21-P-2106-97XAG
April 5, 2026: LEMON Manuals is launched! Read the announcement.

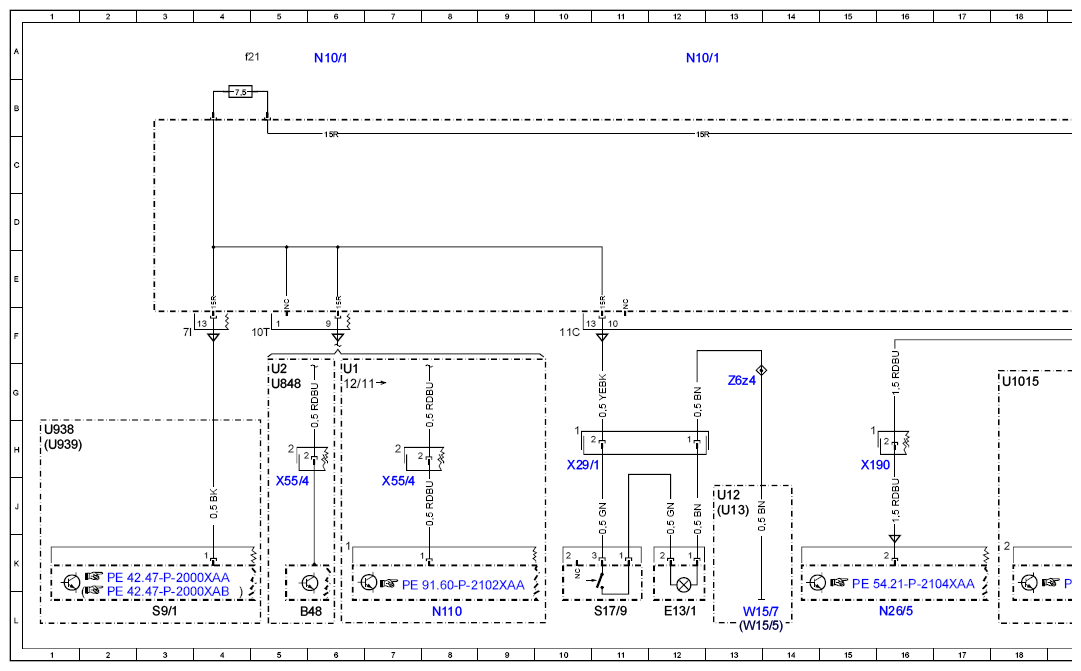
Wiring Diagram of Front Sam Control Unit With Fuse and Relay Module (N10/1) - PE54.21-P-2106-97XAG

Code: Designation: Position:
A0 Color code key 96L
A2 Radio 24L
A2 Radio 24L
A2 Radio 32L
A2/56 Radio with auto pilot system 23L
A40/3 COMAND control unit 28L
A40/3 COMAND control unit 32L
B31 Emissions sensor 66L
B48 Front passenger seat occupied recognition and ACSR 5L
CAN D Diagnostic CAN 36K
CAN D Diagnostic CAN 39K
CAN D Diagnostic CAN 43K
CAN E Chassis CAN 76K
CAN E Chassis CAN 84K
CAN E Chassis CAN 81K
CAN E1 Chassis CAN 1 76K
CAN E2 Chassis CAN 2 81K
CAN E2 Chassis CAN 2 84K
Code 348 Emergency ca11/assistance system 34G
Code 359 TELEAID emergency call system 34G
Code 360 HERMES UMTS 42G
Code 362 HERMES LTE 42G
Code 505 Radio 20 NTG5, non-navigation-capable 30G
Code 522 Audio 20 radio 30H
Code 531 COMAND APS 30G
Code 580 Air conditioning 67G
Code 581 Automatic air conditioning 51G
Code 9U1   46G
Code B54 Live Traffic Information 38G
E13/1 Glove box lamp 12L
LIN B8 Climate control LIN 66F
LIN B8 Climate control LIN 64F
M13/5 Coolant circulation pump 88L
N10/1 Front SAM control unit with fuse and relay module 6A
N10/1 Front SAM control unit with fuse and relay module 12A
N10/1 Front SAM control unit with fuse and relay module 21A
N10/1 Front SAM control unit with fuse and relay module 29A
N10/1 Front SAM control unit with fuse and relay module 36A
N10/1 Front SAM control unit with fuse and relay module 45A
N10/1 Front SAM control unit with fuse and relay module 53A
N10/1 Front SAM control unit with fuse and relay module 60A
N10/1 Front SAM control unit with fuse and relay module 68A
N10/1 Front SAM control unit with fuse and relay module 77A
N10/1 Front SAM control unit with fuse and relay module 84A
N10/1f19 Fuse 19 20A
N10/1f21 Fuse 21 4A
N10/1f26 Fuse 26 28A
N110 Weight Sensing System (WSS) control unit 8L
N112/2 Telematics services communication module 40L
N112/9 HERMES control unit 43L
N123/4 Emergency call system control unit 36L
N167 E-Call Russia (GLONASS) control unit 47L
N22/4 Rear air conditioning operating unit 56L
N22/7 Automatic air conditioning control and operating unit 53L
N22/7 Automatic air conditioning control and operating unit 63L
N22/7 Automatic air conditioning control and operating unit 69L
N26/5 Electric steering lock control unit 16L
N68 Electrical power steering control unit 84L
N73 Electronic ignition switch control unit 19L
S12 Parking brake indicator switch 72L
S17/9 Glove box lamp switch 11L
S9/1 Stop lamp switch 3L
U1 Valid for USA 6G
U1015 Valid for electric steering lock 18G
U113 Valid for 2-zone THERMATIC 87G
U114 Valid for 3-zone THERMOTRONIC 87G
U12 Valid for left-hand drive vehicles 13J
U12 Valid for left-hand drive vehicles 73J
U13 Valid for right-hand drive vehicles 13J
U13 Valid for right-hand drive vehicles 73K
U2 Valid for all except USA 5G
U250 Valid for electric power steering 82G
U52 Valid for Japan 26G
U54 Valid for all except Japan 26G
U631 Valid for COMAND 26G
U848 Valid for ACSR 5G
U865 Valid for Audio 20 22G
U865 Valid for Audio 20 22G
U866 Valid for Audio 50 22G
U938 Valid for ESP Basic 1H
U939 Valid for ESP Premium 1H
W15/2 Left footwell ground point 73L
W15/5 Left front footwell ground point 13L
W15/7 Right front footwell ground point 13L
W18 Left front seat crossmember ground point 73L
W2 Right front ground point at lamp unit 88G
X11/4 Diagnostic connector 50L
X18 Vehicle interior and harness for taillamp electrical connector 54J
X190 Instrument panel and electric steering lock electrical connector 16H
X29/1 Glove compartment electrical connector 10H
X30/26 Vehicle floor chassis CAN 2 (CAN E2) potential distributor electrical connector 79L
X30/30 Vehicle floor chassis CAN voltage distributor electrical connector 78L
X30/30 Vehicle floor chassis CAN voltage distributor electrical connector 78L
X55/4 Front passenger seat connector block 7J
X55/4 Front passenger seat connector block 5J
Z6/97 Right lamp unit circuit 31 connector sleeve 87H
Z68/1 Instrument panel circuit 31 climate control LIN connector sleeve 52H
Z68/10 Instrument panel LIN connector sleeve 64H
Z68/11 Rear air conditioning LIN bus ground line connector sleeve 56H
Z6z4 Circuit 31 connector sleeve 13G
Z7/21 Air conditioning circuit 30 connector sleeve 59H
Z7/21 Air conditioning circuit 30 connector sleeve 68H
G12630324Courtesy of MERCEDES-BENZ USA
G12630325Courtesy of MERCEDES-BENZ USA
G12630326Courtesy of MERCEDES-BENZ USA
G12630327Courtesy of MERCEDES-BENZ USA
G12630328Courtesy of MERCEDES-BENZ USA