Purging System With Leak Test Function - GF47.30-P-3016MMV
Engine 276.8 in model 205, 253
with code 494 (US version)
Purge system with leak test, general
As per the legal requirements no fuel vapors should escape into the environment. Therefore they are first stored in the fuel tank and in an activated charcoal canister. If the activated charcoal canister is fully loaded, the fuel vapors are suctioned at regular intervals out of the internal combustion engine and led to the combustion. The lawmaker also requires that the fuel tank is checked at the same intervals for leaktightness.
In order to describe the current status of the legal specifications, differentiation is made in the following function description:
- Function sequence for regeneration system with leak test up to model year 2016
- Function sequence for regeneration system with leak test up to model year 2016
Function requirements for regeneration system with leak test up to model year 2016
- Engine at idle
- Vehicle stationary
- Gear range "D" or "R"
- Blocking time after engine start elapsed (approx. 3 minutes) or self-adjustment of the mixture formation occurs
- Lambda control released
- Charge air temperature < 72°C
- Coolant temperature when engine started < 100°C
- Air pressure >780 hPa (which means that no test takes place above an altitude of about 2500 meters)
- Low loading of activated charcoal canister
- Fuel level in the fuel tank at least 15%
- Battery voltage > 11 V
- No fault at involved actuators or sensors
Function sequence for regeneration system with leak test up to model year 2016
The leak test of the purge system takes place in three stages (function chain) and must detect the following leaks:
- Gross leak (a leak the same or greater than a 2.5 mm dia.)
- Fine leak (a leak the same or greater than a 1 mm dia.)
- Very fine leak (a leak the same or greater than a 0.5 mm dia.)
The function sequence is subdivided into the following steps:
- Function sequence for gross leak-fine leak check
- Function sequence for gross leak-very fine leak check
Function sequence for gross leak-fine leak check
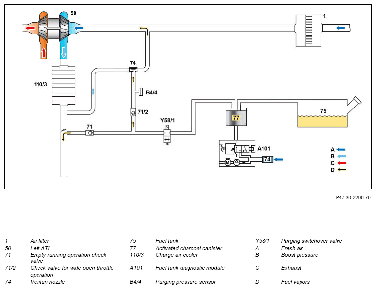
To check for a gross leak the activated charcoal canister shutoff valve (Y58/4) closes and the purging switchover valve (Y58/1) opens. The vacuum from the internal combustion engines reaches the fuel tank. As a result, vacuum builds up in the fuel tank, and is measured by the fuel tank pressure sensor (B4/3).
If no vacuum builds up in the fuel tank (approx.-6 hPa within approx. 12 s) there is a major leak (e.g. tank cap open, hose line loose). The test will be interrupted and the error "gross leak" stored in the fault memory. If the ME-SFI [ME] control unit (N3/10) detects a gross leak in the system, the fuel reserve warning lamp (A1e4) in the instrument cluster (A1) is actuated (symbol flashes) via the drive train CAN (CAN C1), the powertrain control unit (N127), the chassis FlexRay (Flex E), the electronic ignition lock control unit (N73) and the user interface CAN (CAN HMI).
The additional message "CHECK FILLER CAP" is issued in the IC if a fueling of >20 l is recognized. Otherwise only the error "gross leak" is saved in the fault memory.
While checking for fine leaks, a vacuum of about -6 hPa is built up again and the system is made airproof. The vacuum is them measured for approx. 30 seconds. The vacuum must not reduce more rapidly than 0.3 to 0.5 mbar per second (depends on fuel level). If the vacuum drops more rapidly, there is a fine leak.
The test will be interrupted and the error "fine leak" is stored.
The pressure buildup depends on the fuel level in the fuel tank. This is determined by the left and right fuel tank fuel level indicator fill level sensors (B4/1, B4/2) and used by the ME-SFI {ME] control unit during the evaluation.
Function sequence for gross leak-very fine leak check
If no "fine leak" has been detected, purging is briefly enabled and a vacuum of about -17 hPa is then built up again. In a closed system, the vacuum must not drop faster than 0.10 to 0.15 hPa per second (depending on fuel level). If the vacuum dissipates more rapidly, the "very fine leak" fault is stored.
The reduction in vacuum depends on the fuel level in the fuel tank and on fuel outgassing. Fuel outgassing is measured shortly before fuel tank pressure sensor is checked, and taken into account for fault indication. The activated charcoal canister shutoff valve is reopened after the tests.
The test for fine and very fine leaks is aborted if an excessive lean correction of the lambda control takes place during the buildup of the vacuum.
The function of the purging switchover valve is checked at the same time by the activation. If the closed switchover valve jams, the "gross leak" fault is stored.
If faults are detected, these are stored in the fault memory by the ME-SFI [ME] control unit, and a fault message appears in the instrument cluster.
Schematic representation of the regeneration system up to model year 2016
Function requirements for a regeneration system with leak test as of model year 2016
- Engine switched off
- Circuit 15 OFF
- Ambient temperature between 4 and 35°C
- Air pressure >780 hPa (which means that no test takes place above an altitude of about 2500 meters)
- Fuel level in fuel tank between 15 and 85 %
- Battery voltage > 11 V
- Tank cap closed
- No fault at involved actuators or sensors
Function sequence for regeneration system with leak test up to model year 2016
The leak test of the purge system takes place in two stages (function chain) and must detect the following leaks:
- Leak equal to or greater than 1 mm dia.
- Leak equal to or greater than 0.5 mm dia.
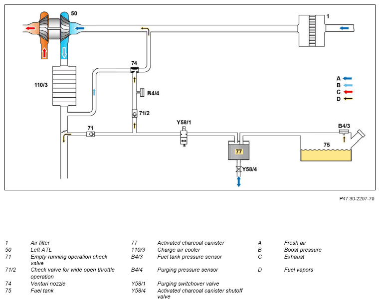
The leaktightness of the fuel tank is checked by the ME-SFI [ME] control unit by comparing the power consumption during generation of an overpressure in the fuel tank without and via the reference leak in the fuel tank diagnostic module (A101).
In order to avoid false measurements caused by condensation or ice formation, the channel that acts as a reference leak is heated by the fuel tank diagnostic module heating element (A101r1). The purging switchover valve must be closed (switchover valve not actuated = purging inhibited).
Test sequence:
- Vehicle parked and ignition switched off.
- ME-SFI control unit enables diagnosis.
- The solenoid valve in the diagnostic module switches over and the pump generates a reference pressure in the fuel tank. During this operation, the current is also measured.
- The fuel tank diagnostic module solenoid valve (A101 y1) closes the aeration and venting of the activated charcoal canister.
- The fuel tank diagnostic module pump (A101m1) pumps air through an internal reference leak and measures the current that is required for the procedure.
If the value of the current for the reference leak is exceeded during measurement, the fuel tank and its aeration and ventilation system are leaktight, otherwise a leak is present. The magnitude of the leak is recognized by the time the pump has to operate before a defined reference current is reached.
If the tank cap (e.g. when fueling) is opened, the diagnosis is interrupted. Any leaks detected, are stored in the fault memory of the ME-SFI control unit. After double occurrence of a fault, the engine diagnosis indicator lamp in the instrument cluster (A1e58) illuminates.
The pressure buildup also depends on the fuel level in fuel tank. This is determined by the left and right fuel tank fuel level indicator fill level sensors (B4/1, B4/2) and used by the ME-SFI [ME] control unit during the evaluation.
Schematic representation of the regeneration system as of model year 2016
| Electrical function schematic for system purging with leak test | PE47.30-P-2051-97FBB | ||
| Overview of system components for gasoline injection and ignition system with direct injection | GF07.70-P-9998MMV |