LEMON Manuals: Even more car manuals for everyone: 1960-2025
Home >> Mercedes Benz >> 2017 >> GLC300 Base >> Repair and Diagnosis (Single Page) >> Steering >> Steering Control Systems >> Steering - 253 Chassis >> Wiring Diagrams >> Wiring Diagram For Steering Column Module Control Unit >> Wiring Diagram For Steering Column Module Control Unit - PE46.10-P-2101-97FCA
April 5, 2026: LEMON Manuals is launched! Read the announcement.

Wiring Diagram For Steering Column Module Control Unit - PE46.10-P-2101-97FCA

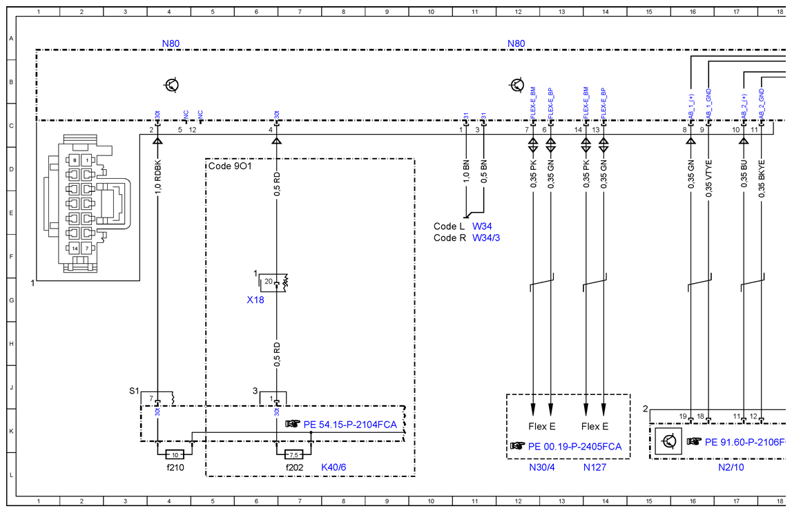
Model 253 (except 253.99) as of model year 2020 Control unit N80 Model 253.99 as of model year 2019 with code 9O1 (Fuel cell pre-installation) Control unit N80 

Code: Designation: Position:
A0 Use of wiring diagrams 105L
Code 901 Fuel cell retrofitting 5D
Code 901 Fuel cell retrofitting 57D
Code 901 Fuel cell retrofitting 62D
Code L LEFT-HAND DRIVE 43L
Code L LEFT-HAND DRIVE 48L
Code L LEFT-HAND DRIVE 10E
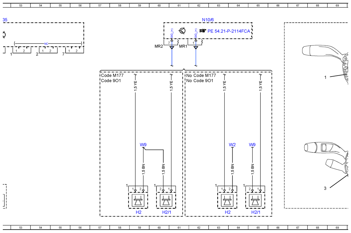
Code M177 SPARK-IGNITION ENGINE M177 57D
Code M177 SPARK-IGNITION ENGINE M177 62D
Code R RIGHT-HAND DRIVE 43L
Code R RIGHT-HAND DRIVE 48L
Code R RIGHT-HAND DRIVE 10F
Flex E Chassis FlexRay 14K
Flex E Chassis FlexRay 12K
H2 Left fanfare horn 59L
H2 Left fanfare horn 63L
H2/1 Right fanfare horn 60L
H2/1 Right fanfare horn 65L
K40/6 Driver-side fuse and relay module 8L
K40/6f202 Fuse 202 7L
K40/6f210 Fuse 210 4L
N10/6 Front SAM control unit 62A
N127 Drivetrain control unit 14L
N135 Steering wheel electronics 31A
N135 Steering wheel electronics 36A
N135 Steering wheel electronics 42A
N135 Steering wheel electronics 52A
N135 Steering wheel electronics 84A
N135 Steering wheel electronics 95A
N2/10 Supplemental restraint system control unit 17L
N30/4 Electronic Stability Program control unit 12L
N80 Steering column module control unit 20A
N80 Steering column module control unit 4A
N80 Steering column module control unit 12A
N80 Steering column module control unit 29A
N80 Steering column module control unit 72A
N80 Steering column module control unit 95A
R12/13 Driver airbag squib 1 22L
R12/14 Driver airbag squib 2 21L
S110/1 Steering wheel downshift button 37L
S111/1 Steering wheel upshift button 40L
S163/1 Instrument cluster multifunction steering wheel button group 44L
S163/1 Instrument cluster multifunction steering wheel button group 49L
S163/2 Head unit multifunction steering wheel button group 44L
S163/2 Head unit multifunction steering wheel button group 49L
S4/2 Horns contact plate 52L
W2 Right front ground point (at lamp unit) 64H
W34 Left footwell ground point 11E
W34/3 Right footwell ground point 11F
W9 Left front ground point (at lamp unit) 59H
W9 Left front ground point (at lamp unit) 65H
X18 Cockpit wiring harness and frame floor assembly electrical connector 6G
G12819864Courtesy of MERCEDES-BENZ USA
G12819865Courtesy of MERCEDES-BENZ USA
G12819866Courtesy of MERCEDES-BENZ USA
G12819867Courtesy of MERCEDES-BENZ USA
G12819868Courtesy of MERCEDES-BENZ USA
G12819869Courtesy of MERCEDES-BENZ USA