LEMON Manuals: Even more car manuals for everyone: 1960-2025
Home >> Mercedes Benz >> 2017 >> GLC300 Base >> Repair and Diagnosis >> Engine Performance >> Fuel Delivery >> Fuel System - 253 Chassis >> Basic Knowledge >> Purging System With Leak Test Function >> Purging System With Leak Test Function - GF47.30-P-3016MNA
April 5, 2026: LEMON Manuals is launched! Read the announcement.

Purging System With Leak Test Function - GF47.30-P-3016MNA

Engine 177.9 in model 205 

as of model year 2016 with code 494 (US version) 

Engine 177.9 in model 213, 253 

with code 494 (US version) 

Purge system with leak test, general 

As per the legal requirements no fuel vapors should escape into the environment. Therefore they are first stored in the fuel tank and in an activated charcoal canister. If the activated charcoal canister is fully loaded, the fuel vapors are suctioned out of the internal combustion engine and led to the combustion. The lawmaker also requires that the fuel tank is checked at the same intervals for leaktightness.

G12819895Courtesy of MERCEDES-BENZ USA

Schematic illustration of fuel tank 

Function requirements general 

IMPORTANT The electronic ignition lock control unit (N73) transmits the status of circuit 15 via the chassis FlexRay (Flex E), the powertrain control unit (N127) and the drive train CAN (CAN C1) to the ME-SFI [ME] control unit (N3/10).

The ambient temperature is recorded by the outside temperature sensor (B14). The front SAM control unit (N10/6) directly reads in the signals from the outside temperature sensor, calculates the outside temperature and sends this information via interior CAN (CAN B), electronic ignition lock control unit, chassis FlexRay, powertrain control unit and drive train CAN to the ME-SFI [ME] control unit.

The atmospheric pressure is detected by the pressure sensor in the ME-SFI [ME] control unit The ME-SFI [ME] control unit directly reads in the signals from the pressure sensor.

The fuel system control unit (N118) transmits information about the fuel level via the drive train CAN to the ME-SFI [ME] control unit. The front SAM control unit evaluates the on-board electrical system voltage and sends the corresponding information via the interior CAN, electronic ignition lock control unit, chassis FlexRay, powertrain control unit and the drive train CAN to the ME-SFI [ME] control unit. A closed tank cap is identified via pressure monitoring of the fuel tank.

Purge system with leak test 

The leak test of the purge system takes place in two stages (function chain) and must detect the following leaks:

The leaktightness of the fuel tank is checked by the ME-SFI [ME] control unit by comparing the power consumption during generation of an overpressure in the fuel tank without and via the reference leak in the fuel tank diagnostic module.

IMPORTANT In order to avoid false measurements caused by condensation or ice formation, the channel that acts as a reference leak is heated by the fuel tank diagnostic module heating element (A101r1).

The switchover valves for purging must be closed (switchover valves not actuated = purging blocked).

Test sequence: 

  1. The vehicle parked and ignition switched off.
  2. The ME-SFI [ME] control unit enables diagnosis.
  3. The fuel tank diagnostic module solenoid valve (A101y1) closes the aeration and venting of the activated charcoal canister.
  4. The fuel tank diagnostic module pump (A101m1) pumps air through an internal reference leak. The fuel tank diagnostic module measures the current strength that is required for this procedure.
  5. The solenoid valve in the diagnostic module switches over, and the fuel tank diagnostic module pump generates a reference pressure in the fuel tank. During this operation, the current is also measured.

If the value of the current for the reference leak is exceeded during measurement, the fuel tank and its aeration and ventilation system are leaktight, otherwise a leak is present. The magnitude of the leak is defined by the time the air pump operates before reaching a defined reference current.

The pressure buildup also depends on the fuel level in fuel tank. If the tank cap (e.g. when fueling) is opened, the diagnosis is interrupted.

Any leaks detected, are stored in the fault memory of the ME-SFI control unit. After a fault has occurred for the second time, the engine diagnosis indicator lamp (A1e58) (model 205) or engine diagnosis monitor lamp (model 213) lights up in the instrument cluster. The ME-SFI [ME] control unit transmits the engine diagnosis indicator lamp switch-on request via the drive train CAN, the powertrain control unit, the chassis FlexRay, the electronic ignition lock control unit and the user interface CAN to the instrument cluster. The instrument cluster implements this request accordingly.

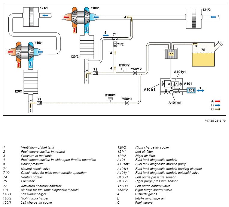
G12819896Courtesy of MERCEDES-BENZ USA

Schematic representation of purge system, shown on model 213 

  Electrical function schematic for system purging with leak test Engine 177.9 in model 205 as of model year 2016 with code 494 (US version) Engine 177.9 in model 253 with code 494 (US version) PE47.30-P-2051-97FBC 
  Electrical function schematic for purge system with leak test Engine 177.9 in model 213 with code 494 (US version) PE47.30-P-2053-97DBG
  Overview of system components for gasoline injection and ignition system with direct injection Engine 177.9 in model 205 as of model year 2016 with code 494 (US version) GF07.70-P-9998MNA
Engine 177.9 in model 253 with code 494 (US version)  
Engine 177.9 in model 213 with code 494 (US version) GF07.70-P-9998MNE