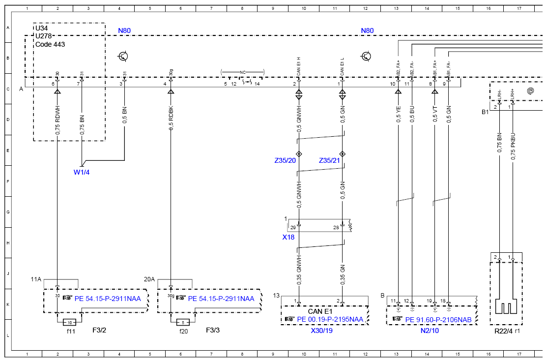
(Wiring Diagram For Steering Column Module Control Unit - PE46.10-P-2101-97NAA)
MODEL 166 up to model year 2016 Control unit N80
| Code: | Designation: | Position: |
|---|---|---|
| A0 | Color code key | 56L |
| CAN E1 | Chassis CAN 1 | 10K |
| Code 233 | DISTRONIC PLUS | 46A |
| Code 443 | Steering wheel heater | 1B |
| F3/2 | Cockpit circuit 30 fuse box | 3L |
| F3/2f11 | Fuse 11 | 2L |
| F3/3 | Cockpit circuit 30g fuse box | 7L |
| F3/3f20 | Fuse 20 | 6L |
| M99 | Steering wheel vibration motor | 28L |
| N135 | Steering wheel electronics | 23F |
| N135s1 | Left fanfare horn system button | 29E |
| N135s2 | Right fanfare horn system button | 29E |
| N135s3 | Center horns button | 30E |
| N2/10 | Supplemental restraint system Control unit | 14L |
| N49 | Steering wheel angle sensor | 41B |
| N80 | Steering column module Control unit | 4A |
| N80 | Steering column module Control unit | 20A |
| N80 | Steering column module Control unit | 36A |
| N80 | Steering column module Control unit | 28A |
| N80 | Steering column module Control unit | 12A |
| N80 | Steering column module Control unit | 44A |
| R12/13 | Driver airbag squib 1 | 32L |
| R12/14 | Driver airbag squib 2 | 34L |
| R22/4 | Steering wheel heater | 16L |
| R22/4 | Steering wheel heater | 18L |
| R22/4b1 | Heating element temperature sensor | 19L |
| R22/4r1 | Steering wheel heater heating element | 17L |
| S110 | Left multifunction steering wheel button group | 21L |
| S110/1 | Steering wheel downshift button | 31L |
| S110s1 | Scroll forward/back button | 20L |
| S110s3 | System selection button | 21L |
| S110s4 | "Back" and voice Control system OFF button | 22L |
| S110s6 | OK button | 22L |
| S111 | Right multifunction steering wheel button group | 25L |
| S111/1 | Steering wheel upshift button | 30L |
| S111s1 | Buttons + and - for setting specific functions and volume Control | 24L |
| S111s3 | Accept/terminate phone call button | 25L |
| S111s4 | Voice Control system ON button | 25L |
| S111s6 | Mute button | 26L |
| S16/13 | DIRECT SELECT lever | 48B |
| S4 | Combination switch | 35B |
| S40/4 | Cruise Control lever | 44B |
| S40/4r1 | DISTRONIC Control | 47B |
| S40/4s1 | Resume from memory switch | 43B |
| S40/4s2 | Decelerate and set switch | 43B |
| S40/4s3 | Accelerate and set switch | 43B |
| S40/4s4 | OFF switch | 45B |
| S40/4s5 | Indicator switch | 45B |
| S40/4s6 | SPEEDTRONIC switch | 45B |
| S40/4v1 | SPEEDTRONIC light emitting diode | 46B |
| S4s1 | Turn signal lamps switch | 35B |
| S4s12 | Liftgate windshield washer system switch | 36B |
| S4s2 | Headlamp flasher/high beam switch | 35B |
| S4s3 | Low beam switch | 35B |
| S4s4 | Windshield washer system switch | 36B |
| S4s5 | Wipe switch | 36B |
| S59/1 | Steering column adjustment and steering wheel heater switch | 38B |
| S59/1e1 | Steering wheel heater indicator lamp | 39B |
| S59/1s1 | Steering column adjustment switch | 37B |
| S59/1s2 | Steering wheel heater switch | 39B |
| U2 | Valid for all except USA | 45A |
| U278 | Valid for active Lane Keeping Assist | 1A |
| U34 | Valid for automatic lane recognition | 27H |
| U34 | Valid for automatic lane recognition | 1A |
| U744 | Valid for steering wheel heater | 39A |
| U873 | Valid for steering wheel shift buttons | 29H |
| U897 | Valid for intelligent servo module for DIRECT SELECT | 47A |
| W1/4 | Cockpit ground point | 3F |
| X18 | Vehicle interior and harness for taillamp electrical connector | 10H |
| X30/19 | Vehicle floor chassis CAN E1 potential distributor electrical connector | 10L |
| Z35/20 | Chassis CAN high connector sleeve 1 | 9E |
| Z35/21 | Chassis CAN low connector sleeve 1 | 11E |