LEMON Manuals: Even more car manuals for everyone: 1960-2025
Home >> Mercedes Benz >> 2017 >> GLS450 >> Repair and Diagnosis >> Transmission >> Transmission Control Systems >> Automatic Transmission - 166 Chassis 4 Of 4 >> Wiring Diagrams >> Wiring Diagram For Intelligent Servo Module (ISM) Control Unit >> (Wiring Diagram For Intelligent Servo Module (ISM) Control Unit - PE27.60-P-2101-97NAA)
April 5, 2026: LEMON Manuals is launched! Read the announcement.

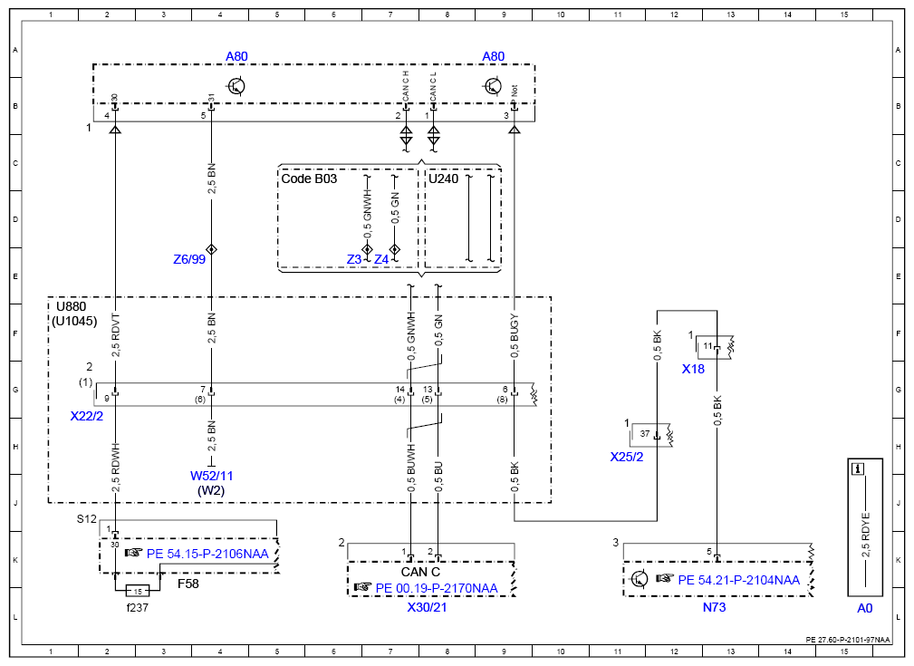
(Wiring Diagram For Intelligent Servo Module (ISM) Control Unit - PE27.60-P-2101-97NAA)

Transmission 722.9 in model 166 up to model year 2016 Control unit A80 

Code: Designation: Position:
A0 Color code key 15L
A80 Intelligent servo module for DIRECT SELECT 4A
A80 Intelligent servo module for DIRECT SELECT 9A
CAN C Drive train CAN 7K
Code B03 EC0 start/stop function 5C
F58 Engine compartment fuse and relay module 3L
F58f237 Fuse 237 3L
N73 Electronic ignition switch control unit 13L
U1045 Not valid for diesel engine 642 1F
U240 Valid for all except EC0 start/stop function 8C
U880 Valid for engine 642 1F
W2 Right front ground point at lamp unit 4J
W52/11 Upper right front longitudinal member ground point 4J
X18 Vehicle interior and harness for tail lamp electrical connector 12G
X22/2 Automatic transmission/intelligent servo module electrical connector 2H
X25/2 Engine compartment/vehicle interior electrical connector 11H
X30/21 Drive train CAN voltage distributor electrical connector 7L
Z3 Tml. 15 connector sleeve 6E
Z4 Circuit 15/30 connector sleeve 7E
Z6/99 Transmission circuit 31 connector sleeve 3E
G14135366Courtesy of MERCEDES-BENZ USA