LEMON Manuals: Even more car manuals for everyone: 1960-2025
Home >> Mercedes Benz >> 2017 >> GLS63 AMG >> Repair and Diagnosis (Single Page) >> Steering >> Power Steering >> Steering - 166 Chassis >> Wiring Diagrams >> Wiring Diagram For Steering Column Module Control Unit >> Wiring Diagram For Steering Column Module Control Unit - PE46.10-P-2101-97NBA
April 5, 2026: LEMON Manuals is launched! Read the announcement.

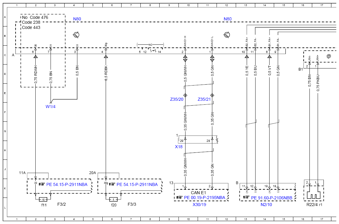
Wiring Diagram For Steering Column Module Control Unit - PE46.10-P-2101-97NBA

Model 166 as of model year 2016 Control unit N80 Model 292 Control unit N80 

Code: Designation: Position:
A0 Color code key 56L
A45 Steering wheel clock spring contact 31D
A45 Steering wheel clock spring contact 21D
A45 Steering wheel clock spring contact 26D
CAN E1 Chassis CAN 1 10K
Code 233 DISTRONIC Distance-Pilot with Steering-Pilot 48A
Code 238 Active Lane Keeping Assist 1A
Code 443 Steering wheel heater 40A
Code 443 Steering wheel heater 1B
Code 476 Lane Keeping Assist 2A
Code 476 Lane Keeping Assist 27H
Code 494 USA version 47A
Code B59 DYNAMIC SELECT 50A
F3/2 Cockpit circuit 30 fuse box 3L
F3/2f11 Fuse 11 2L
F3/3 Cockpit circuit 30g fuse box 7L
F3/3f20 Fuse 20 6L
M99 Steering wheel vibration motor 29L
N135 Steering wheel electronics 23F
N135s1 Left fanfare horn system button 30E
N135s2 Right fanfare horn system button 30E
N135s3 Center horns button 31E
N2/10 Supplemental restraint system Control unit 14L
N49 Steering wheel angle sensor 42B
N80 Steering column module Control unit 4A
N80 Steering column module Control unit 19A
N80 Steering column module Control unit 37A
N80 Steering column module Control unit 29A
N80 Steering column module Control unit 12A
N80 Steering column module Control unit 46A
R12/13 Driver airbag squib 1 34L
R12/14 Driver airbag squib 2 35L
R22/4 Steering wheel heater 16L
R22/4 Steering wheel heater 18L
R22/4b1 Heating element temperature sensor 19L
R22/4r1 Steering wheel heater heating element 17L
S110 Left multifunction steering wheel button group 21L
S110/1 Steering wheel downshift button 32L
S110s1 Scroll forward/back button 20L
S110s3 System selection button 21L
S110s4 "Back" and voice Control system OFF button 22L
S110s6 OK button 22L
S111 Right multifunction steering wheel button group 25L
S111/1 Steering wheel upshift button 31L
S111s1 Buttons + and - for setting specific functions and volume Control 24L
S111s3 Accept/terminate phone call button 25L
S111s4 Voice Control system ON button 25L
S111s6 Mute function button 26L
S16/13 DIRECT SELECT lever 50B
S4 Combination switch 37B
S40/4 Cruise Control lever 45B
S40/4r1 DISTRONIC Control 49B
S40/4s1 Resume from memory switch 44B
S40/4s2 Decelerate and set switch 45B
S40/4s3 Accelerate and set switch 45B
S40/4s4 OFF switch 46B
S40/4s5 Indicator switch 46B
S40/4s6 SPEEDTRONIC switch 47B
S40/4v1 SPEEDTRONIC light emitting diode 47B
S4s1 Turn signal lamps switch 36B
S4s12 Liftgate windshield washer system switch 38B
S4s2 Headlamp flasher/high beam switch 36B
S4s3 Low beam switch 36B
S4s4 Windshield washer system switch 37B
S4s5 Wipe switch 37B
S59/1 Steering column adjustment and steering wheel heater switch 39B
S59/1e1 Steering wheel heater indicator lamp 40B
S59/1s1 Steering column adjustment switch 39B
S59/1s2 Steering wheel heater switch 40B
U873 Valid for steering wheel shift buttons 30H
W1/4 Cockpit ground point 3F
X18 Vehicle interior and harness for taillamp electrical connector 10H
X30/19 Vehicle floor chassis CAN E1 potential distributor electrical connector 10L
Z35/20 Chassis CAN high connector sleeve 1 9E
Z35/21 Chassis CAN low connector sleeve 1 11E
G14138983Courtesy of MERCEDES-BENZ USA
G14138984Courtesy of MERCEDES-BENZ USA
G14138985Courtesy of MERCEDES-BENZ USA
G14138986Courtesy of MERCEDES-BENZ USA