LEMON Manuals: Even more car manuals for everyone: 1960-2025
Home >> Mercedes Benz >> 2017 >> GLS63 AMG >> Repair and Diagnosis (Single Page) >> Transmission >> Transmission Control Systems >> Automatic Transmission - 166 Chassis 4 Of 4 >> Wiring Diagrams >> Wiring Diagram For Intelligent Servo Module (ISM) Control Unit >> Wiring Diagram For Intelligent Servo Module (ISM) Control Unit - PE27.60-P-2101-97NBB
April 5, 2026: LEMON Manuals is launched! Read the announcement.

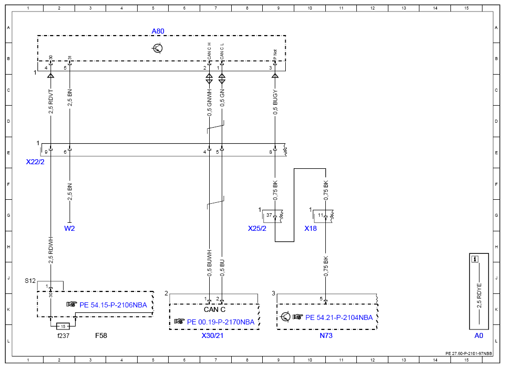
Wiring Diagram For Intelligent Servo Module (ISM) Control Unit - PE27.60-P-2101-97NBB

Transmission 722.9 in model 292 Control unit A80 

Transmission 722.905 in model 166 as of model year 2016 Control unit A80 

Code: Designation: Position:
A0 Color code key 15L
A80 Intelligent servo module for DIRECT SELECT 5A
CAN C Drive train CAN 7K
F58 Engine compartment fuse and relay module 3L
F58f237 Fuse 237 2L
N73 Electronic ignition switch control unit 10L
W2 Right front ground point at lamp unit 2H
X18 Vehicle interior and harness for tail lamp electrical connector 10H
X22/2 Automatic transmission/intelligent servo module electrical connector 1E
X25/2 Engine compartment/vehicle interior electrical connector 8H
X30/21 Drive train CAN voltage distributor electrical connector 7L
G14135367Courtesy of MERCEDES-BENZ USA