LEMON Manuals: Even more car manuals for everyone: 1960-2025
Home >> Mercedes Benz >> 2018 >> S450 Base >> Repair and Diagnosis (Single Page) >> Engine Mechanical >> Fuel System >> Fuel System - 222 Chassis >> Basic Knowledge >> Purging System With Leak Test Function >> Purging System With Leak Test Function - GF47.30-P-3016MMK
April 5, 2026: LEMON Manuals is launched! Read the announcement.

Purging System With Leak Test Function - GF47.30-P-3016MMK

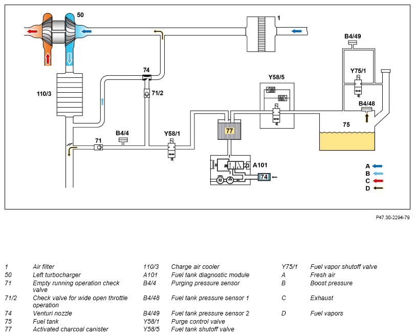
Engine 276.8 in model 222.163/173 

with code 494 (US version) 

G15400635Courtesy of MERCEDES-BENZ USA

Schematic diagram of purge system 

Purge system function requirements with leak test general 

Purge system with leak test general 

The leak test takes place during the computer run-on of the ME-SFI [ME] control unit (N3/10) which can take up to 20 minutes.

The leak test of the purge system takes place in two stages and must recognize the following leak:

Purge system with leak test function sequence 

The leaktightness of the fuel tank is measured from the ME-SFI [ME] control unit after a cold start. To do this, the fuel tank inner pressure measured by the fuel tank pressure sensor 1 is compared with the atmospheric pressure.

If the difference is greater than 10 hPa one can assume that the fuel tank is sealed. A pressure test for a "small spray cabinet" is carried out after switching off the vehicle and switching off the ignition (circuit 15 OFF). The "small spray cabinet" includes the activated charcoal canister, its aeration and vent lines as well as the fuel tank leakage diagnostic module.

If the difference is less than 10 hPa a pressure test for a "large spray cabinet" consisting of the small spray cabinet and the fuel tank is carried out.

In order to perform the pressure test the ME-SFI [ME] control unit compares the power consumption of the fuel tank diagnostic module during generation of an overpressure over a reference leak with the power consumption during generation of an overpressure in the respective spray cabinet.

IMPORTANT The reference leak is heated in order to avoid false measurements through the presence of condensation or build up of ice.

Sequence of the test for the reference leak measurement: 

The internal pump in the diagnostic module pumps air through the internal reference leak and measures the current required for the pump.

Sequence of the test for the "small spray cabinet": 

Sequence of the test for the "large spray cabinet": 

Any leaks detected, are stored in the fault memory of the ME-SFI control unit. After a second occurrence of a fault, the engine diagnosis indicator lamp illuminates in the instrument cluster (A1).

IMPORTANT The pressure buildup depends on the fuel level in the fuel tank.

This is determined by the fuel tank fuel level indicator fill level sensor and is used by the ME-SFI [ME] control unit for evaluation.

  Electrical function schematic for system purging with leak test   PE47.30-P-2051-97SEC 
  Overview of system components for gasoline injection and ignition system with direct injection   GF07.70-P-9998MMT