LEMON Manuals: Even more car manuals for everyone: 1960-2025
Home >> Mercedes Benz >> 2018 >> S450 Base >> Repair and Diagnosis (Single Page) >> Engine Mechanical >> Fuel System >> Fuel System - 222 Chassis >> Basic Knowledge >> Purging System With Leak Test Function >> Purging System With Leak Test Function - GF47.30-P-3016MML
April 5, 2026: LEMON Manuals is launched! Read the announcement.

Purging System With Leak Test Function - GF47.30-P-3016MML

Engine 157.9, 276.8, 278.9 in model 217, 222 (except 222.163/173) with code 494 (US version) 

Purge system with leak test, general 

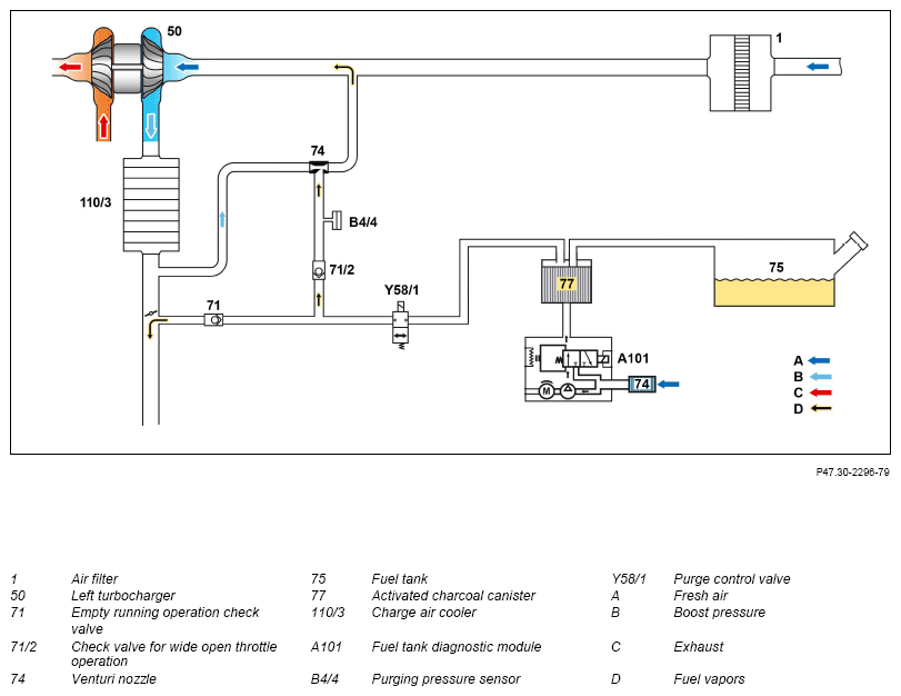
As per the legal requirements no fuel vapors should escape into the environment. Therefore they are first stored in the fuel tank and in an activated charcoal canister. If the activated charcoal canister is fully loaded, the fuel vapors are suctioned at regular intervals out of the engine and led to the combustion.

The lawmaker also requires that the fuel tank is checked at the same intervals for leaktightness.

In order to describe the current status of the legal specifications, differentiation is made in the following function description:

Function requirements for regeneration system with leak test up to model year 2016 

Function sequence for regeneration system with leak test up to model year 2016 

The leak test of the purge system takes place in three stages (function chain) and must detect the following leaks:

The function sequence is subdivided into the following steps:

Function sequence for gross leak-fine leak check 

To check for a gross leak the activated charcoal canister shutoff valve (Y58/4) closes and the purging switchover valve (Y58/1) opens. The vacuum from the engines reaches the fuel tank. As a result, vacuum builds up in the fuel tank, and is measured by the fuel tank pressure sensor (B4/3).

If no vacuum builds up in the fuel tank (approx.-6 hPa within approx. 12 s) there is a major leak (e.g. tank cap open, hose line loose). The test will be interrupted and the error "gross leak" stored in the fault memory.

If the ME-SFI [ME] control unit (N3/10) detects a gross leak in the system, the fuel reserve warning symbol is actuated (symbol flashes) in the instrument cluster (A1) via the drive train CAN (CAN C1), the powertrain control unit (N127), the chassis FlexRay (Flex E), the electronic ignition lock control unit (N73) and the user interface CAN (CAN HMI).

The additional message "CHECK FILLER CAP" is issued in the IC if a fueling of >20 l is recognized. Otherwise only the error "gross leak" is saved in the fault memory.

While checking for fine leaks, a vacuum of about -6 hPa is built up again and the system is made airproof. The vacuum is them measured for approx. 30 seconds. The vacuum must not reduce more rapidly than 0.3 to 0.5 mbar per second (depends on fuel level). If the vacuum drops more rapidly, there is a fine leak.

The test will be interrupted and the error "fine leak" is stored.

IMPORTANT The pressure buildup depends on the fuel level in the fuel tank. It is determined by the left and right fuel display on the fuel tank fill level sensors (B4/1, B4/2) and taken into account by the ME-SFI control unit during evaluation.

Function sequence for gross leak-very fine leak check 

If no "fine leak" has been detected, purging is briefly enabled and a vacuum of about -17 hPa is then built up again. In a closed system, the vacuum must not drop faster than 0.10 to 0.15 hPa per second (depending on fuel level). If the vacuum dissipates more rapidly, the "very fine leak" fault is stored.

The reduction in vacuum depends on the fuel level in the fuel tank and on fuel outgassing. Fuel outgassing is measured shortly before fuel tank pressure sensor is checked, and taken into account for fault indication. The activated charcoal canister shutoff valve is reopened after the tests.

The test for fine and very fine leaks is aborted if an excessive lean correction of the lambda control takes place during the buildup of the vacuum.

The function of the purging switchover valve is checked at the same time by the activation. If the closed switchover valve jams, the "gross leak" fault is stored.

If faults are detected, these are stored in the fault memory by the ME-SFI [ME] control unit and the engine diagnosis icon is actuated via the drive train CAN, powertrain control unit, chassis FlexRay, electronic ignition lock control unit and the user interface CAN in the IC.

G15400636Courtesy of MERCEDES-BENZ USA

Schematic representation of the regeneration system up to model year 2016 

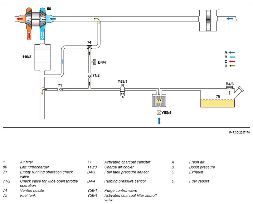
Function requirements for a regeneration system with leak test as of model year 2016 

The leak test of the purge system takes place in two stages (function chain) and must detect the following leaks:

The leaktightness of the fuel tank is checked by the ME-SFI [ME] control unit by comparing the power consumption during generation of an overpressure in the fuel tank without and via the reference leak in the fuel tank diagnostic module (A101).

The purging switchover valve must be closed (switchover valve not actuated = purging inhibited).

Test sequence:

If the value of the current for the reference leak is exceeded during measurement, the fuel tank and its aeration and ventilation system are leaktight, otherwise a leak is present. The magnitude of the leak is recognized by the time the pump has to operate before a defined reference current is reached.

If the tank cap (e.g. when fueling) is opened, the diagnosis is interrupted.

Any leaks detected, are stored in the fault memory of the ME-SFI [ME] control unit. After a fault occurs twice, the engine diagnosis indicator lamp lights up on the instrument cluster.

IMPORTANT The pressure buildup also depends on the fuel level in fuel tank.

This is determined by the fuel tank fuel level indicator fill level sensor and is used by the ME-SFI [ME] control unit for evaluation.

G15400637Courtesy of MERCEDES-BENZ USA

Schematic representation of the regeneration system as of model year 2016 

  Electrical function schematic for system purging with leak test   PE47.30-P-2051-97SEC 
  Overview of system components for gasoline injection and ignition system with direct injection Engine 157.9, 278.9 in model 217, 222 with code 494 (US version) GF07.70-P-9998MML
    Engine 276.8 in model 217, 222 (except 222.163/173) with code 494 (US version) GF07.70-P-9998MMT