LEMON Manuals: Even more car manuals for everyone: 1960-2025
Home >> Mercedes Benz >> 2018 >> S450 Base >> Repair and Diagnosis (Single Page) >> Transmission >> Transmission Control Systems >> Automatic Transmission - 222 Chassis (4 Of 4) >> Wiring Diagrams >> Wiring Diagram For Intelligent Servo Module (ISM) Control Unit >> Wiring Diagram For Intelligent Servo Module (ISM) Control Unit - PE27.60-P-2101-97SEB
April 5, 2026: LEMON Manuals is launched! Read the announcement.

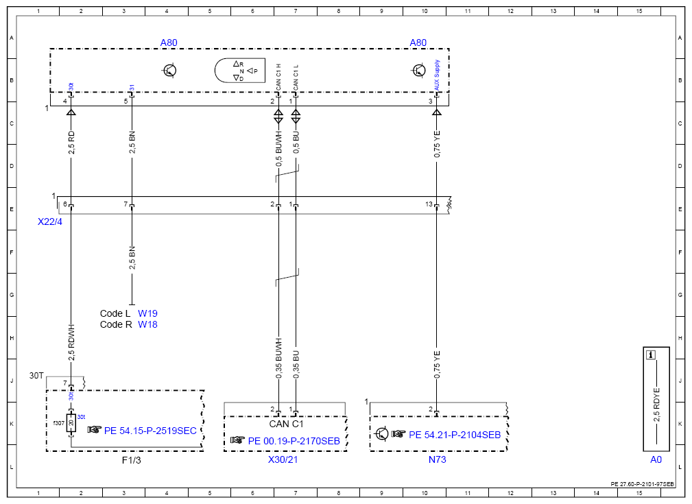
Wiring Diagram For Intelligent Servo Module (ISM) Control Unit - PE27.60-P-2101-97SEB

Model 217, 222 with transmission 722.9 as of model year 2018 Control unit A80 

Code: Designation: Position:
A0 Use of wiring diagrams 15L
A80 Intelligent servo module for DIRECT SELECT 4A
A80 Intelligent servo module for DIRECT SELECT 10A
CAN C1 Drive train CAN 7K
Code L LEFT-HAND DRIVE 2H
Code R RIGHT-HAND DRIVE 2H
F1/3 Passenger-side A-pillar fuse box 3L
F1/3f307 Fuse 307 1K
N73 Electronic ignition switch control unit 10L
W18 Left front seat crossmember ground point 3H
W19 Right front seat crossmember ground point 3H
X22/4 Transmission/frame floor assembly connecting point 1E
X30/21 Drive train CAN (CAN C1) potential distributor electrical connector 7L
G15400880Courtesy of MERCEDES-BENZ USA