LEMON Manuals: Even more car manuals for everyone: 1960-2025
Home >> Mercedes Benz >> 2019 >> C300 Base, 2D Convertible >> Repair and Diagnosis >> Steering >> Steering Linkage >> Steering - 205 Chassis >> Wiring Diagrams >> Wiring Diagram For Steering Column Module Control Unit >> Wiring Diagram For Steering Column Module Control Unit - PE46.10-P-2101-97FBB
April 5, 2026: LEMON Manuals is launched! Read the announcement.

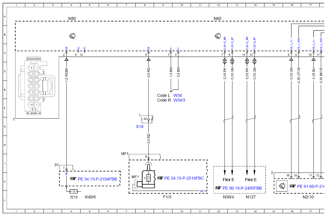
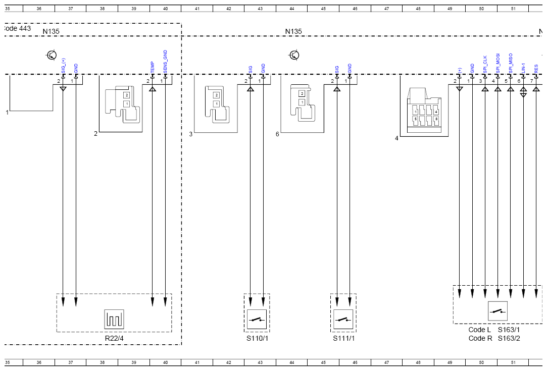
Wiring Diagram For Steering Column Module Control Unit - PE46.10-P-2101-97FBB

Model 205 as of model year 2019 Control unit N80 

Code: Designation: Position:
A0 Use of wiring diagrams 105L
Code 443 Steering wheel heater 35A
Code L LEFT-HAND DRIVE 50L
Code L LEFT-HAND DRIVE 9E
Code L LEFT-HAND DRIVE 55L
Code R RIGHT-HAND DRIVE 50L
Code R RIGHT-HAND DRIVE 9F
Code R RIGHT-HAND DRIVE 55L
F1/3 Passenger-side A-pillar fuse box 9L
F1/3MF1 Multiple fuse 1 7K
Flex E Chassis FlexRay 14K
Flex E Chassis FlexRay 12K
H2 Left fanfare horn 62L
H2/1 Right fanfare horn 63L
K40/6 Driver-side fuse and relay module 5L
K40/6f210 Fuse 210 4L
N10/6 Front SAM control unit 64A
N127 Drivetrain control unit 14L
N135 Steering wheel electronics 36A
N135 Steering wheel electronics 31A
N135 Steering wheel electronics 44A
N135 Steering wheel electronics 52A
N135 Steering wheel electronics 60A
N135 Steering wheel electronics 85A
N135 Steering wheel electronics 96A
N2/10 Supplemental restraint system control unit 17L
N30/4 Electronic Stability Program control unit 12L
N80 Steering column module control unit 20A
N80 Steering column module control unit 4A
N80 Steering column module control unit 12A
N80 Steering column module control unit 27A
N80 Steering column module control unit 73A
N80 Steering column module control unit 96A
R12/13 Driver airbag squib 1 22L
R12/14 Driver airbag squib 2 21L
R22/4 Steering wheel heater 38L
S110/1 Steering wheel downshift button 43L
S111/1 Steering wheel upshift button 45L
S163/1 Instrument cluster multifunction steering wheel button group 51L
S163/1 Instrument cluster multifunction steering wheel button group 56L
S163/2 Head unit multifunction steering wheel button group 51L
S163/2 Head unit multifunction steering wheel button group 56L
S4/2 Horns contact plate 60L
W34 Left footwell ground point 10E
W34/3 Right footwell ground point 10F
W9 Left front ground point (at lamp unit) 62H
X18 Cockpit wiring harness and frame floor assembly electrical connector 8G
G14185985Courtesy of MERCEDES-BENZ USA
G14185986Courtesy of MERCEDES-BENZ USA
G14185987Courtesy of MERCEDES-BENZ USA
G14185988Courtesy of MERCEDES-BENZ USA
G14185989Courtesy of MERCEDES-BENZ USA
G14185990Courtesy of MERCEDES-BENZ USA