LEMON Manuals: Even more car manuals for everyone: 1960-2025
Home >> Mercedes Benz >> 2020 >> CLS450 Base >> Repair and Diagnosis (Single Page) >> Steering >> Steering Control Systems >> Steering - 257 Chassis >> Wiring Diagrams >> Wiring Diagram For Steering Column Module Control Unit >> Wiring Diagram For Steering Column Module Control Unit - PE46.10-P-2101-97XCA
April 5, 2026: LEMON Manuals is launched! Read the announcement.

Wiring Diagram For Steering Column Module Control Unit - PE46.10-P-2101-97XCA

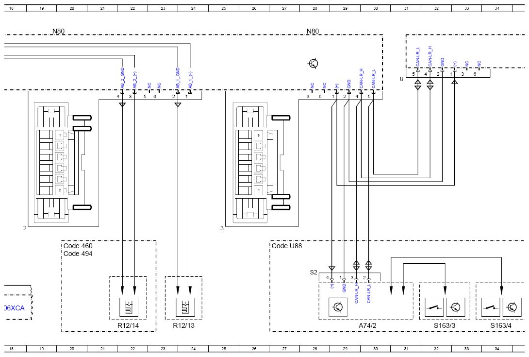
Model 257, 290 as of model year 2021 up to model year 2022 Control unit N80 

Code: Designation: Position:
A0 Use of wiring diagrams 105L
A74/2 Lower multifunction steering wheel button group electric controller unit 30L
Code 443 Steering wheel heater 36A
Code 460 Canada version 20H
Code 494 USA version 20J
Code 6U9 Positioning and tracking system subharness pre-installation 60E
Code 6U9 Positioning and tracking system subharness pre-installation 57E
Code F257 MODEL SERIES 257 57H
Code F290 Model series 290 57G
Code L LEFT-HAND DRIVE 10K
Code L LEFT-HAND DRIVE 7F
Code L LEFT-HAND DRIVE 45L
Code L LEFT-HAND DRIVE 50L
Code L LEFT-HAND DRIVE 90J
Code R RIGHT-HAND DRIVE 10K
Code R RIGHT-HAND DRIVE 7F
Code R RIGHT-HAND DRIVE 45L
Code R RIGHT-HAND DRIVE 50L
Code R RIGHT-HAND DRIVE 90G
Code U88 AMG steering wheel buttons (AMG DRIVE UNIT) 27H
Flex E Chassis FlexRay 11K
Flex E Chassis FlexRay 13K
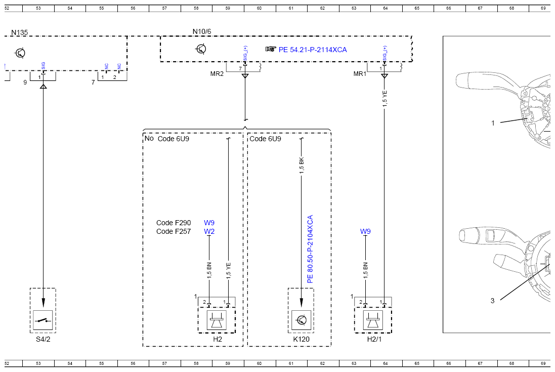
H2 Left fanfare horn 59L
H2/1 Right fanfare horn 63L
K120 Theft detection system horn relay 61L
K40/6 Driver-side fuse and relay module 6L
K40/6f205 Fuse 205 6L
K40/6f211 Fuse 211 5L
N10/6 Front SAM control unit 58A
N127 Drivetrain control unit 13L
N135 Steering wheel electronics 35A
N135 Steering wheel electronics 44A
N135 Steering wheel electronics 52A
N135 Steering wheel electronics 83A
N135 Steering wheel electronics 96A
N2/10 Supplemental restraint system control unit 16L
N73 Electronic ignition switch control unit 11L
N80 Steering column module control unit 4A
N80 Steering column module control unit 12A
N80 Steering column module control unit 19A
N80 Steering column module control unit 28A
N80 Steering column module control unit 71A
R12/13 Driver airbag squib 1 24L
R12/14 Driver airbag squib 2 22L
R22/4 Steering wheel heater 38L
S110/1 Steering wheel downshift button 41L
S111/1 Steering wheel upshift button 43L
S163/1 Instrument cluster multifunction steering wheel button group 46L
S163/1 Instrument cluster multifunction steering wheel button group 50L
S163/2 Head unit multifunction steering wheel button group 46L
S163/2 Head unit multifunction steering wheel button group 50L
S163/3 Lower multifunction steering wheel button group 1 32L
S163/4 Lower multifunction steering wheel button group 2 34L
S4/2 Horns contact plate 53L
W2 Right front ground point at lamp unit 58H
W34 Left footwell ground point 7F
W34/3 Right footwell ground point 7F
W9 Left front ground point (at lamp unit) 63H
W9 Left front ground point (at lamp unit) 58G
G14555061Courtesy of MERCEDES-BENZ USA
G14555062Courtesy of MERCEDES-BENZ USA
G14555063Courtesy of MERCEDES-BENZ USA
G14555064Courtesy of MERCEDES-BENZ USA
G14555065Courtesy of MERCEDES-BENZ USA
G14555066Courtesy of MERCEDES-BENZ USA