LEMON Manuals: Even more car manuals for everyone: 1960-2025
Home >> Mercedes Benz >> 2020 >> CLS450 Base >> Repair and Diagnosis (Single Page) >> Steering >> Steering Control Systems >> Steering - 257 Chassis >> Wiring Diagrams >> Wiring Diagram For Steering Column Module Control Unit >> Wiring Diagram For Steering Column Module Control Unit - PE46.10-P-2101-97XCB
April 5, 2026: LEMON Manuals is launched! Read the announcement.

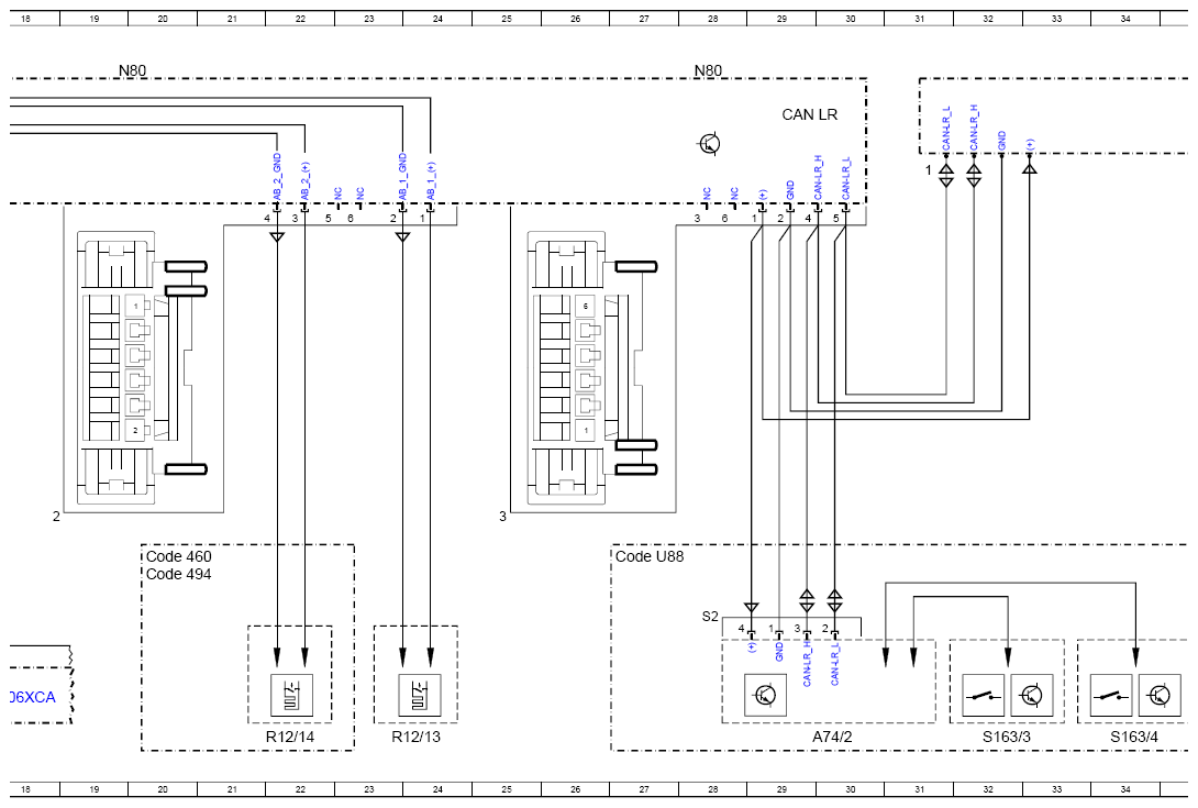
Wiring Diagram For Steering Column Module Control Unit - PE46.10-P-2101-97XCB

Model 257, 290 as of model year 2022 Control unit N80 

Code: Designation: Position:
A0 Use of wiring diagrams 113L
A74/2 Lower multifunction steering wheel button group electric controller unit 30L
B179 Hand-detection sensor 59L
B179x1 Hand-detection sensor electrical connector 58J
CAN LR Steering wheel CAN 29B
CAN LR1 CAN for steering wheel gearshift buttons 46J
Code 266 Distronic Plus, cross-traffic support (DTR+Q) 51G
Code 443 Steering wheel heater 36G
Code 460 Canada version 20H
Code 494 USA version 20J
Code 6U9 Positioning and tracking system subharness pre-installation 64E
Code 6U9 Positioning and tracking system subharness pre-installation 61E
Code F257 MODEL SERIES 257 61H
Code F290 Model series 290 61G
Code L LEFT-HAND DRIVE 10K
Code L LEFT-HAND DRIVE 7F
Code L LEFT-HAND DRIVE 97J
Code R RIGHT-HAND DRIVE 10K
Code R RIGHT-HAND DRIVE 7F
Code R RIGHT-HAND DRIVE 97G
Code U88 AMG steering wheel buttons (AMG DRIVE UNIT) 27H
Flex E Chassis FlexRay 11K
Flex E Chassis FlexRay 13K
H2 Left fanfare horn 63L
H2/1 Right fanfare horn 68L
K120 Theft detection system horn relay 66L
K40/6 Driver-side fuse and relay module 6L
K40/6f205 Fuse 205 6L
K40/6f211 Fuse 211 5L
N10/6 Front SAM control unit 62A
N127 Drivetrain control unit 13L
N135 Steering wheel electronics 35A
N135 Steering wheel electronics 44A
N135 Steering wheel electronics 52A
N135 Steering wheel electronics 86A
N135 Steering wheel electronics 58A
N135 Steering wheel electronics 103B
N179 Hand detection system control unit 55L
N179 Hand detection system control unit 93A
N179 Hand detection system control unit 103B
N2/10 Supplemental restraint system control unit 16L
N73 Electronic ignition switch control unit 11L
N80 Steering column module control unit 4A
N80 Steering column module control unit 12A
N80 Steering column module control unit 19A
N80 Steering column module control unit 28A
N80 Steering column module control unit 76A
N80 Steering column module control unit 103A
R12/13 Driver airbag squib 1 24L
R12/14 Driver airbag squib 2 22L
R22/4 Steering wheel heater 38L
R22/4x1 Steering wheel heater electrical connector 1 36J
R22/4x2 Steering wheel heater electrical connector 2 38J
S110/1 Steering wheel downshift button 41L
S111/1 Steering wheel upshift button 43L
S163/1 Instrument cluster multifunction steering wheel button group 45L
S163/2 Head unit multifunction steering wheel button group 47L
S163/3 Lower multifunction steering wheel button group 1 32L
S163/4 Lower multifunction steering wheel button group 2 34L
S4/2 Horns contact plate 50L
W1-ESD Steering wheel ground point - electrostatic discharge 52F
W1-ESD Steering wheel ground point - electrostatic discharge 45F
W2 Right front ground point at lamp unit 63H
W2-ESD Steering wheel ground point - electrostatic discharge 53F
W2-ESD Steering wheel ground point - electrostatic discharge 48F
W34 Left footwell ground point 7F
W34/3 Right footwell ground point 7F
W9 Left front ground point (at lamp unit) 68H
W9 Left front ground point (at lamp unit) 63G
G14555067Courtesy of MERCEDES-BENZ USA
G14555068Courtesy of MERCEDES-BENZ USA
G14555069Courtesy of MERCEDES-BENZ USA
G14555070Courtesy of MERCEDES-BENZ USA
G14555071Courtesy of MERCEDES-BENZ USA
G14555072Courtesy of MERCEDES-BENZ USA
G14555073Courtesy of MERCEDES-BENZ USA