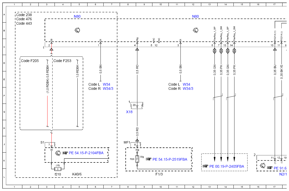
Wiring Diagram For Steering Column Module Control Unit - PE46.10-P-2101-97FBA
Model 205 up to model year 2019
Control unit N80
Model 253 (except 253.99) up to model year 2020
Control unit N80
| Code: | Designation: | Position: |
|---|---|---|
| A0 | Use of wiring diagrams | 64L |
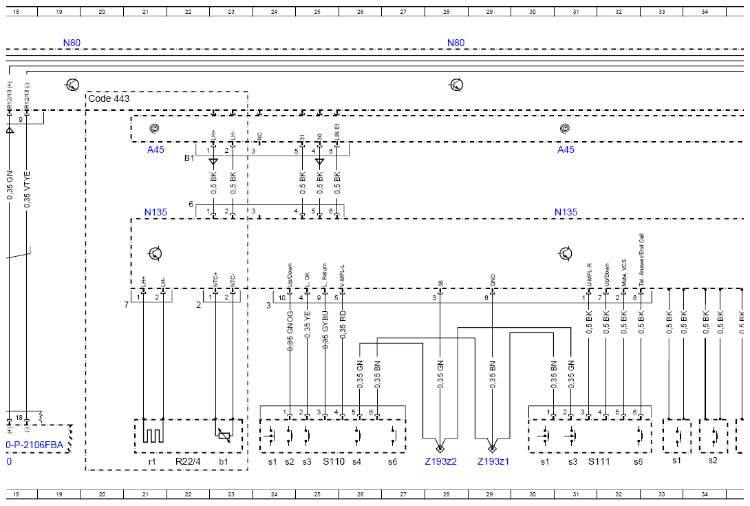
| A45 | Fanfare horns and airbag clock spring contact | 21D |
| A45 | Fanfare horns and airbag clock spring contact | 31D |
| A45 | Fanfare horns and airbag clock spring contact | 40D |
| Code 238 | Active Lane Keeping Assist | 1A |
| Code 238 | Active Lane Keeping Assist | 36H |
| Code 443 | Steering wheel heater | 1B |
| Code 443 | Steering wheel heater | 20C |
| Code 443 | Steering wheel heater | 48A |
| Code 443 | Steering wheel heater | 49A |
| Code 476 | Lane Keeping Assist | 1A |
| Code F205 | MODEL SERIES 205 | 1D |
| Code F253 | MODEL SERIES 253 | 3D |
| Code L | LEFT-HAND DRIVE | 6E |
| Code L | LEFT-HAND DRIVE | 10E |
| Code R | RIGHT-HAND DRIVE | 6F |
| Code R | RIGHT-HAND DRIVE | 10F |
| F1/3 | Passenger-side A-pillar fuse box | 10L |
| F1/3f329 | Electrical fuse 329 | 8K |
| K40/6 | Driver-side fuse and relay module | 5L |
| K40/6f210 | Fuse 210 | 4L |
| LIN E1 | Steering LIN | 26C |
| M99 | Steering wheel vibration motor | 38L |
| N135 | Steering wheel electronics | 21E |
| N135 | Steering wheel electronics | 31E |
| N135 | Steering wheel electronics | 40E |
| N135s1 | Left upper horn button | 33L |
| N135s2 | Right upper horn button | 34L |
| N135s3 | Left lower horn button | 35L |
| N135s4 | Right lower horn button | 36L |
| N2/10 | Supplemental restraint system control unit | 17L |
| N49 | Steering wheel angle sensor | 52B |
| N80 | Steering column module control unit | 12A |
| N80 | Steering column module control unit | 5A |
| N80 | Steering column module control unit | 19A |
| N80 | Steering column module control unit | 28A |
| N80 | Steering column module control unit | 36A |
| N80 | Steering column module control unit | 45A |
| N80 | Steering column module control unit | 54A |
| N80 | Steering column module control unit | 60A |
| R12/13 | Driver airbag squib 1 | 42L |
| R12/14 | Driver airbag squib 2 | 44L |
| R22/4 | Steering wheel heater | 22L |
| R22/4b1 | Heating element temperature sensor | 23L |
| R22/4M | Steering wheel heater heating element | 21L |
| S110 | Left multifunction steering wheel button group | 25L |
| S110/1 | Steering wheel downshift button | 41L |
| S110s1 | Scroll forward/back button | 24L |
| S110s2 | Voice control system OFF button | 24L |
| S110s3 | System selection button | 25L |
| S110s4 | "Back" button | 26L |
| S110s6 | OK button | 27L |
| S111 | Right multifunction steering wheel button group | 31L |
| S111/1 | Steering wheel upshift button | 40L |
| S111s1 | Buttons + and - for setting specific functions and volume control | 30L |
| S111s3 | Accept/terminate phone call button | 31L |
| S111s6 | Mute function button | 32L |
| S16/13 | DIRECT SELECT lever | 61D |
| S4 | Combination switch | 47D |
| S40/4 | Cruise control lever | 56D |
| S40/4r1 | DISTRONIC control | 59D |
| S40/4s1 | Resume from memory switch | 54D |
| S40/4s2 | Decelerate and set switch | 54D |
| S40/4s3 | Accelerate and set switch | 55D |
| S40/4s4 | OFF switch | 56D |
| S40/4s6 | SPEEDTRONIC switch | 58D |
| S40/4v1 | SPEEDTRONIC light emitting diode | 59D |
| S4s1 | Turn signal lamps switch | 46D |
| S4s2 | Headlamp flasher/high beam switch | 46D |
| S4s4 | Windshield washer system switch | 47D |
| S4s5 | Wipe switch | 48D |
| S59 | Steering column adjustment switch | 49D |
| S59/1 | Steering column adjustment and steering wheel heater switch | 49D |
| U2 | Not valid for USA | 58A |
| W34 | Left footwell ground point | 6E |
| W34 | Left footwell ground point | 11E |
| W34/3 | Right footwell ground point | 6F |
| W34/3 | Right footwell ground point | 11F |
| X18 | Cockpit wiring harness and frame floor assembly electrical connector | 8G |
| Z193z1 | Steering wheel electronics ground line connector sleeve | 29L |
| Z193z2 | Steering wheel electronics terminal 58 connector sleeve | 28L |