LEMON Manuals: Even more car manuals for everyone: 1960-2025
Home >> Mercedes Benz >> 2020 >> GLC300 Base >> Repair and Diagnosis >> Steering >> Steering Linkage >> Steering - 253 Chassis >> Wiring Diagrams >> Wiring Diagram For Steering Column Module Control Unit >> Wiring Diagram For Steering Column Module Control Unit - PE46.10-P-2101-97FCA
April 5, 2026: LEMON Manuals is launched! Read the announcement.

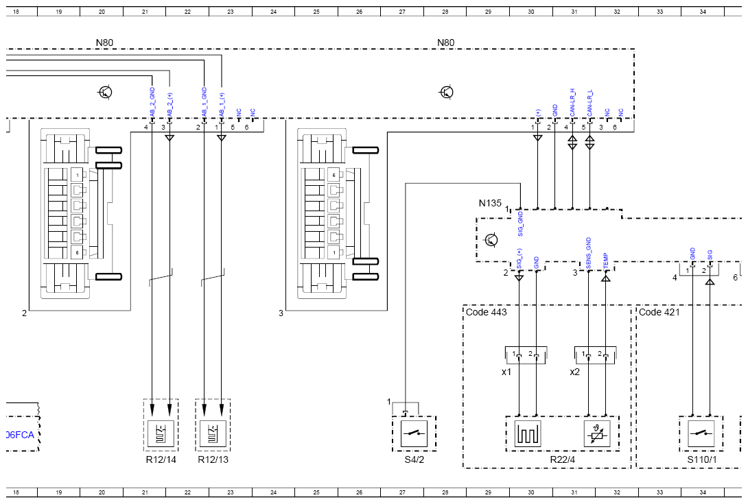
Wiring Diagram For Steering Column Module Control Unit - PE46.10-P-2101-97FCA

Model 253 (except 253.99) as of model year 2020 

Control unit N80 

Model 253.99 as of model year 2019 

with code 9O1 (Fuel cell pre-installation) 

Control unit N80 

Code: Designation: Position:
AO Use of wiring diagrams 88L
Code 421 9G-TR0NIC 33G
Code 443 Steering wheel heater 28G
Code 901 Fuel cell retrofitting 5D
Code 901 Fuel cell retrofitting 48D
Code 901 Fuel cell retrofitting 53D
Code L LEFT-HAND DRIVE 10E
Code M177 SPARK-IGNITION ENGINE M177 48D
Code M177 SPARK-IGNITION ENGINE M177 53D
Code R RIGHT-HAND DRIVE 10F
Flex E Chassis FlexRay 14K
Flex E Chassis FlexRay 12K
H2 Left fanfare horn 50L
H2 Left fanfare horn 55L
H2/1 Right fanfare horn 52L
H2/1 Right fanfare horn 56L
K40/6 Driver-side fuse and relay module 8L
K40/6f202 Fuse 202 7L
K40/6f210 Fuse 210 4L
N10/6 Front SAM control unit 54A
N127 Drivetrain control unit 14L
N135 Steering wheel electronics 29E
N135 Steering wheel electronics 68A
N135 Steering wheel electronics 78A
N2/10 Supplemental restraint system control unit 17L
N30/4 Electronic Stability Program control unit 12L
N80 Steering column module control unit 4A
N80 Steering column module control unit 12A
N80 Steering column module control unit 20A
N80 Steering column module control unit 28A
N80 Steering column module control unit 61A
N80 Steering column module control unit 78A
R12/13 Driver airbag squib 1 22L
R12/14 Driver airbag squib 2 21L
R22/4 Steering wheel heater 31L
R22/4x1 Steering wheel heater electrical connector 1 29J
R22/4x2 Steering wheel heater electrical connector 2 31J
S110/1 Steering wheel downshift button 34L
S110/1 Steering wheel downshift button 35L
S163/1 Instrument cluster multifunction steering wheel button group 38L
S163/2 Head unit multifunction steering wheel button group 42L
S4/2 Horns contact plate 27L
W2 Right front ground point (at lamp unit) 55H
W34 Left footwell ground point 11E
W34/3 Right footwell ground point 11F
W9 Left front ground point (at lamp unit) 50H
W9 Left front ground point (at lamp unit) 56H
X18 Cockpit wiring harness and frame floor assembly electrical connector 6G
G14474750Courtesy of MERCEDES-BENZ USA
G14474751Courtesy of MERCEDES-BENZ USA
G14474752Courtesy of MERCEDES-BENZ USA
G14474753Courtesy of MERCEDES-BENZ USA
G14474754Courtesy of MERCEDES-BENZ USA