LEMON Manuals: Even more car manuals for everyone: 1960-2025
Home >> Mercedes Benz >> 2021 >> A220 Base >> Repair and Diagnosis (Single Page) >> Accessories & Equipment >> Accessories Control Systems >> Electrical System, Equipment & Instruments - 177 Chassis (3 Of 4) >> Wiring Diagrams >> Wiring Diagram For Overhead Control Panel (OCP) Control Unit >> Wiring Diagram For Overhead Control Panel (OCP) Control Unit - PE54.21-P-2107-97IBA
April 5, 2026: LEMON Manuals is launched! Read the announcement.

Wiring Diagram For Overhead Control Panel (OCP) Control Unit - PE54.21-P-2107-97IBA

Model 177 

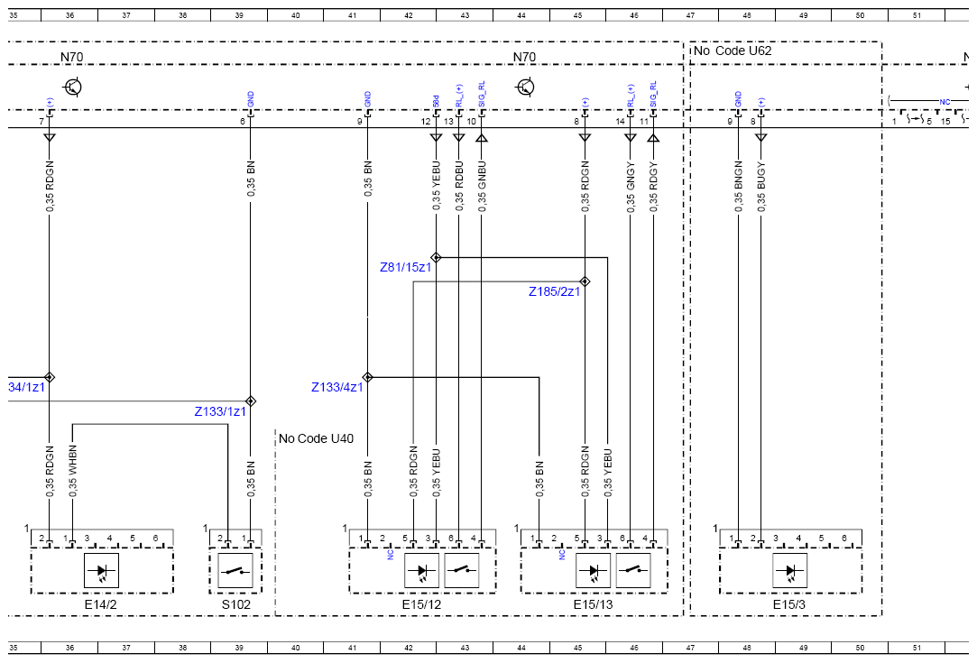
Control unit N70 

Code: Designation: Position:
A0 Use of wiring diagrams 96L
A67 Inside rearview mirror 59L
B39/4 Rear window glass breakage sensor 25L
B39/4x1 Rear window glass breakage sensor electrical connector 25J
Code 231 Garage door opener 57A
Code 232 Garage door opener with frequency 284-390 MHz 57B
Code 249 Automatically dimming mirror 57B
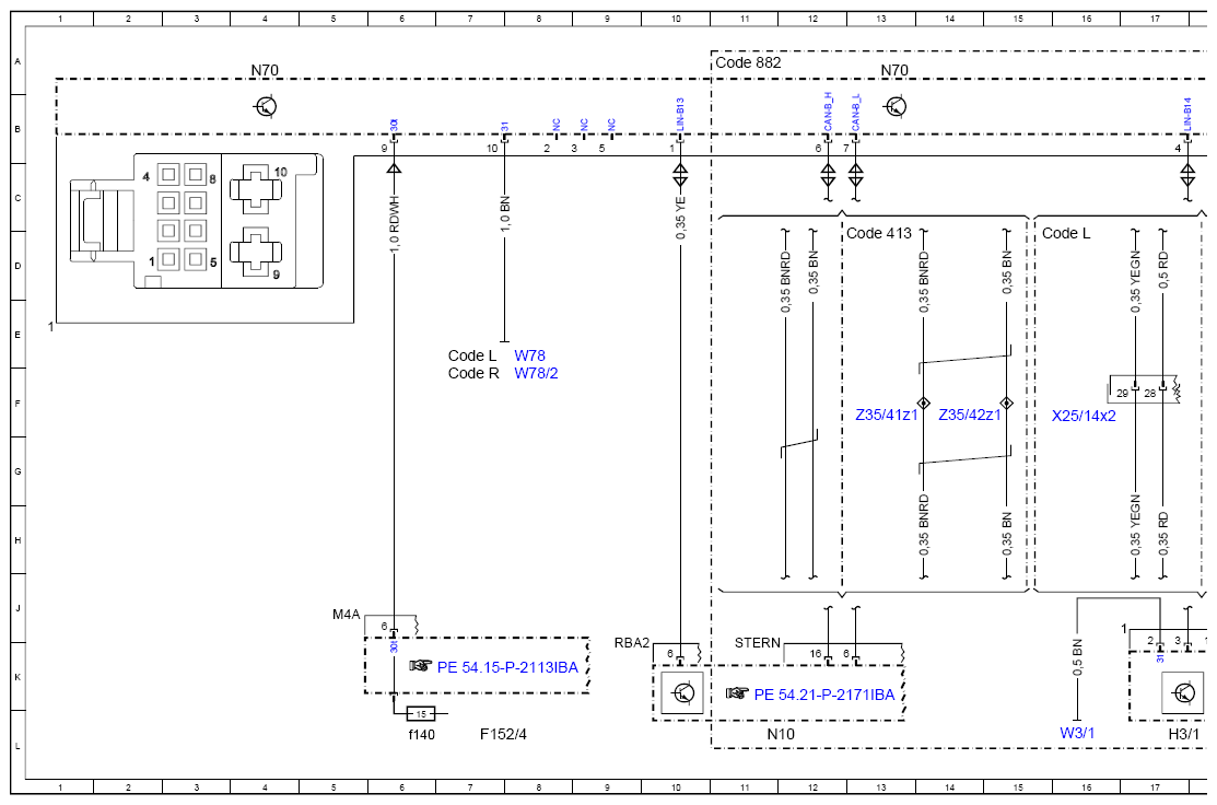
Code 413 Panoramic sliding sunroof 12D
Code 882 Interior monitoring 11A
Code L LEFT-HAND DRIVE 7E
Code L LEFT-HAND DRIVE 15D
Code R RIGHT-HAND DRIVE 18D
Code R RIGHT-HAND DRIVE 7F
Code U40 Cargo net behind driver seats 40H
Code U62 Light and vision package 30A
Code U62 Light and vision package 47A
Code U62 Light and vision package 57A
E14/1 Left sun visor mirror lamp 32L
E14/2 Right sun visor mirror lamp 36L
E15/12 Left rear interior/reading lamp 42L
E15/13 Right rear interior/reading lamp 45L
E15/3 Rear dome lamp 49L
F152/4 Vehicle interior fuse and relay module 7L
F152/4 Vehicle interior fuse and relay module 23L
F152/4f129 Fuse 129 22L
F152/4f140 Fuse 140 6L
H3/1 Alarm siren 17L
N10 Central control module 11L
N70 Overhead control panel control unit 4A
N70 Overhead control panel control unit 13A
N70 Overhead control panel control unit 20A
N70 Overhead control panel control unit 28A
N70 Overhead control panel control unit 36A
N70 Overhead control panel control unit 44A
N70 Overhead control panel control unit 52A
N70 Overhead control panel control unit 60A
N70 Overhead control panel control unit 67A
N70 Overhead control panel control unit 77A
N70 Overhead control panel control unit 87A
S101 Left front mirror lamp switch 34L
S102 Right front mirror lamp switch 39L
W3/1 Ground point (right front wheel well) 16L
W78 Roof ground point 1 8E
W78/2 Roof ground point 2 8F
W8/5 Right tailgate ground point 26L
X25/13x1 Left engine compartment/vehicle interior electrical connector 18F
X25/14x2 Right engine compartment/vehicle interior electrical connector 16F
Z133/1z1 Ground connection connector sleeve 39G
Z133/4z1 Ground connection connector sleeve 41G
Z134/1z1 Voltage supply connector sleeve 35G
Z185/2z1 Voltage supply connector sleeve 45E
Z35/41z1 Interior CAN (CAN B) High connector sleeve 13F
Z35/42z1 Interior CAN (CAN B) low connector sleeve 14F
Z81/15z1 Circuit 58d connector sleeve 42E
G15490578Courtesy of MERCEDES-BENZ USA
G15490579Courtesy of MERCEDES-BENZ USA
G15490580Courtesy of MERCEDES-BENZ USA
G15490581Courtesy of MERCEDES-BENZ USA
G15490582Courtesy of MERCEDES-BENZ USA
G15490583Courtesy of MERCEDES-BENZ USA