LEMON Manuals: Even more car manuals for everyone: 1960-2025
Home >> Mercedes Benz >> 2021 >> A220 Base >> Repair and Diagnosis (Single Page) >> Engine Performance >> Engine Control Systems >> Mixture Formation - 177 Chassis >> Wiring Diagrams >> Wiring Diagram For Gasoline Direct Injection System Control Unit >> Wiring Diagram For Gasoline Direct Injection System Control Unit - PE07.08-P-2101IBB
April 5, 2026: LEMON Manuals is launched! Read the announcement.

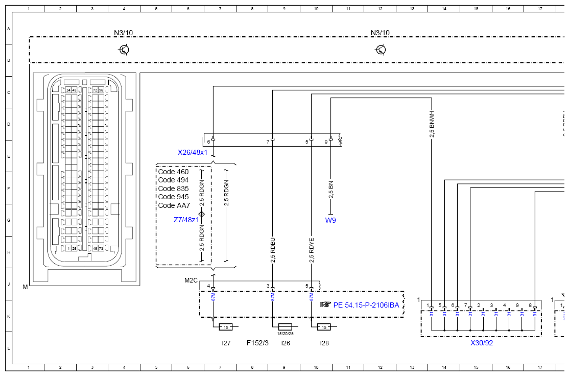
Wiring Diagram For Gasoline Direct Injection System Control Unit - PE07.08-P-2101IBB

Engine 260 in model 177 

Control unit N3/10, engine connector 

Code: Designation: Position:
A0 Use of wiring diagrams 144L
A16/1 Knock sensor 1 72L
A16/2 Knock sensor 2 74L
B11/4 Coolant temperature sensor 76L
B163/4 Temperature sensor upstream of gasoline particulate filter 110L
B163/4 Temperature sensor upstream of gasoline particulate filter 115L
B163/4x1 Electrical connector for temperature sensor upstream of gasoline particulate filter 113H
B28/11 Pressure sensor downstream of air filter 94L
B28/26 Pressure and temperature sensor upstream of throttle valve 98L
B28/27 Pressure and temperature sensor downstream of throttle valve 96L
B4/25 Fuel Pressure and temperature sensor 100L
B4/4 Purging Pressure sensor 103L
B40/6 Engine oil fill level sensor 52L
B6/15 Intake camshaft Hall sensor 77L
B6/16 Exhaust camshaft Hall sensor 79L
B70 Crankshaft Hall sensor 81L
Code 460 Canada version 5F
Code 494 USA version 5F
Code 494 USA version 101A
Code 598 Gasoline particulate filter (OPF) with sensor system 107A
Code 598 Gasoline particulate filter (OPF) with sensor system 112A
Code 801 YoM 20/1 107A
Code 801 YoM 20/1 112A
Code 835 Additional parts for South Korea vehicles 5F
Code 835 Additional parts for South Korea vehicles 101A
Code 945 China Stage 6 exhaust treatment 5F
Code 945 China Stage 6 exhaust treatment 101B
Code 961 Exhaust system with OPF, Generation 2.0 112B
Code 999 Exhaust system with OPF, Generation 3.0 112B
Code AA7 POWER VARIANT UPRATED 2 5G
Code AA7 POWER VARIANT UPRATED 2 63A
F152/3 Engine compartment fuse and relay module 8L
F152/3f26 Fuse 26 9L
F152/3f27 Fuse 27 7L
F152/3f28 Fuse 28 10L
G2 Alternator 87L
G3/1 Oxygen sensor downstream of catalytic converter 62L
G3/2 Oxygen sensor upstream of catalytic converter 59L
LIN C1 Drive train LIN 87K
M16/6 Throttle valve actuator 83L
M16/7 Boost Pressure control flap actuator 92L
N3/10 ME-SFI [ME] control unit 4A
N3/10 ME-SFI [ME] control unit 12A
N3/10 ME-SFI [ME] control unit 20A
N3/10 ME-SFI [ME] control unit 28A
N3/10 ME-SFI [ME] control unit 36A
N3/10 ME-SFI [ME] control unit 44A
N3/10 ME-SFI [ME] control unit 52A
N3/10 ME-SFI [ME] control unit 61A
N3/10 ME-SFI [ME] control unit 69A
N3/10 ME-SFI [ME] control unit 85A
N3/10 ME-SFI [ME] control unit 76A
N3/10 ME-SFI [ME] control unit 93A
N3/10 ME-SFI [ME] control unit 100A
N3/10 ME-SFI [ME] control unit 109A
N3/10 ME-SFI [ME] control unit 129A
N3/10 ME-SFI [ME] control unit 134A
N3/10 ME-SFI [ME] control unit 116A
R48 Coolant thermostat heating element 57L
S88/15 Vent line contact switch 1 105L
S88/16 Vent line contact switch 2 106L
T1/1 Cylinder 1 ignition coil 22L
T1/2 Cylinder 2 ignition coil 25L
T1/3 Cylinder 3 ignition coil 27L
T1/4 Cylinder 4 ignition coil 29L
W2/8 Engine ground point 31L
W9 Left front ground point 10G
X26/48x1 Engine wiring harness/engine compartment electrical connector 6E
X26/48x1 Engine wiring harness/engine compartment electrical connector 108G
X26/48x1 Engine wiring harness/engine compartment electrical connector 113F
X26/90x1 Engine wiring harness electrical connector 74G
X30/89 Power supply potential distributor 1 19L
X30/90 Power supply potential distributor 2 37L
X30/91 Power supply potential distributor 3 49L
X30/92 Circuit 31 potential distributor 1 15L
X30/93 Circuit 31 potential distributor 2 33L
Y101 Divert air switchover valve 65L
Y130 Engine oil pump valve 55L
Y49/1 Intake camshaft solenoid 43L
Y49/2 Exhaust camshaft solenoid 45L
Y49/8 Intake camshaft valve lift switching actuator 41L
Y58/1 Purge control valve 54L
Y58/2 Partial load operation crankcase ventilation valve 46L
Y76/1 Cylinder 1 fuel injector 67L
Y76/2 Cylinder 2 fuel injector 68L
Y76/3 Cylinder 3 fuel injector 69L
Y76/4 Cylinder 4 fuel injector 71L
Y94 Quantity control valve 90L
Z7/48z1 Circuit 87M connector sleeve 6G
G15490302Courtesy of MERCEDES-BENZ USA
G15490303Courtesy of MERCEDES-BENZ USA
G15490304Courtesy of MERCEDES-BENZ USA
G15490305Courtesy of MERCEDES-BENZ USA
G15490306Courtesy of MERCEDES-BENZ USA
G15490307Courtesy of MERCEDES-BENZ USA
G15490308Courtesy of MERCEDES-BENZ USA
G15490309Courtesy of MERCEDES-BENZ USA
G15490310Courtesy of MERCEDES-BENZ USA


Engine 260 in model 177 

Control unit N3/10, engine connector 

  Wiring diagram for gasoline-DI control unit   PE07.08-P-2101-97IBB 
  Abbreviations of signal and circuit designations for wiring diagrams   OV00.01-P-1001-28IBA
  Use of wiring diagrams   OV00.01-P-1901-03IBA
  Search aid for all electrical components   OV00.01-P-1909IBA
  Arrangement of electrical connectors   GF00.19-P-1005IBA
  Location of ground points   GF00.19-P-2002IBA
  Location of end sleeves   GF00.19-P-3005IBA