LEMON Manuals: Even more car manuals for everyone: 1960-2025
Home >> Mercedes Benz >> 2021 >> E350 Base >> Repair and Diagnosis (Single Page) >> Accessories & Equipment >> Collision/Avoidance >> Throttle Control, Speed Control Systems - 213 Chassis >> Wiring Diagrams >> Electrical Function Schematic For Distronic Distance-Pilot >> Electrical Function Schematic For Distronic Distance-Pilot - PE30.30-P-2068-97DBB
April 5, 2026: LEMON Manuals is launched! Read the announcement.

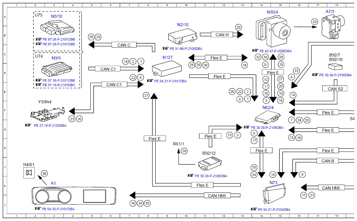
Electrical Function Schematic For Distronic Distance-Pilot - PE30.30-P-2068-97DBB

Model 213 up to model year 2021 with code 23P (Drive package) 

Code: Designation: Position:
1 Engine running, signal 8C
1 Engine running, signal 13E
10 Wheel speed, signal 14E
11 Wheel rotation direction, signal 14E
12 ESP®, status 14D
13 Short and long-range radar sensor, signal 12G
14 Close range radar sensors, signal 16E
15 Object information, data package 16F
15 Object information, data package 16G
16 Road sign display, request 15J
16 Road sign display, request 16G
16 Road sign display, request 7L
17 GPS, signal 14H
17 GPS, signal 16K
18 Available torque, signal 7C
18 Available torque, signal 13D
18 Available torque, signal 15F
19 Braking torque, signal 15E
2 Drivetrain operational, signal 7C
2 Drivetrain operational, signal 13E
20 Speed, turn rate and lateral acceleration, signal 13B
20 Speed, turn rate and lateral acceleration, signal 15E
21 DYNAMIC SELECT switch, status 4F
21 DYNAMIC SELECT switch, status 8E
21 DYNAMIC SELECT switch, status 17K
21 DYNAMIC SELECT switch, status 22K
21 DYNAMIC SELECT switch, status 34H
21 DYNAMIC SELECT switch, status 36H
21 DYNAMIC SELECT switch, status 34K
21 DYNAMIC SELECT switch, status 36K
22 Transmission mode, signal 7D
22 Transmission mode, signal 13E
23 Steering wheel angle sensor, signal 22F
24 Steering wheel angle, signal 16G
25 Combination switch, status 16G
25 Combination switch, status 20G
26 Accelerator pedal position, signal 12E
27 Brake pedal, status 15D
28 Engine torque, increase request 5B
28 Engine torque, increase request 10D
28 Engine torque, increase request 15C
29 Engine torque, reduce request 5B
29 Engine torque, reduce request 15D
29 Engine torque, reduce request 11C
3 Radar sensor system operational, status 13G
30 Engage targeted gear, request 5F
30 Engage targeted gear, request 11C
30 Engage targeted gear, request 14C
31 Braking torque reduction, request 14C
32 Braking torque increase, request 14C
33 Traction system hydraulic unit, actuation 17A
34 Warning and system messages, request 8L
34 Warning and system messages, request 14J
35 Warning tone, request 8L
35 Warning tone, request 14J
36 Speaker, actuation 2J
37 Light-emitting diode actuation 22E
38 Parking system distance sensors, signal 27A
38 Parking system distance sensors, signal 27C
39 Heater, actuation 10H
5 Parking brake, status 14F
6 Gear range, status 8D
6 Gear range, status 13E
7 CRUISE CONTROL lever, signal 20E
7 CRUISE CONTROL lever, signal 16G
8 Active Parking Assist, status 16D
9 Engine hood contact switch, status 14G
9 Engine hood contact switch, status 16J
A1 Instrument cluster 3K
A105 Touchpad 31G
A105 Touchpad 31D
A26/17 Head unit 20K
A40/13 Stereo multifunction camera 25D
A40/9 Audio/COMAND control panel 31K
A7/3 Traction system hydraulic unit 18A
B8/1 Outer left front parking system distance sensor 43D
B8/10 Outer left rear parking system distance sensor 35D
B8/11 Center left rear parking system distance sensor 36E
B8/12 Center right rear parking system distance sensor 38E
B8/2 Center left front parking system distance sensor 42D
B8/3 Inner left front parking system distance sensor 42D
B8/4 Inner right front parking system distance sensor 41D
B8/5 Center right front parking system distance sensor 40D
B8/6 Outer right front parking system distance sensor 39D
B8/7 Outer right rear parking system distance sensor 38D
B8/8 Inner right rear parking system distance sensor 37D
B8/9 Inner left rear parking system distance sensor 36D
B92/10 Left outer rear bumper radar sensor 18C
B92/12 Short and long-range radar sensor 11H
B92/7 Right outer rear bumper radar sensor 18C
CAN A Telematics CAN 23K
CAN B Interior CAN 17J
CAN C Engine CAN 7C
CAN C1 Drive train CAN 6E
CAN C1 Drive train CAN 6D
CAN H Vehicle dynamics CAN 12B
CAN HMI User interface CAN 11L
CAN HMI User interface CAN 17K
CAN S2 Rear radar CAN 18E
Code 235 Parking Pilot 24A
Code 446 Touchpad only 30D
Code 448 Touchpad 30G
Code P44 Parking package 24A
Flex E Chassis FlexRay 14H
Flex E Chassis FlexRay 14D
Flex E Chassis FlexRay 17G
Flex E Chassis FlexRay 17F
Flex E Chassis FlexRay 12D
Flex E Chassis FlexRay 11G
Flex E Chassis FlexRay 11C
Flex E Chassis FlexRay 11K
Flex E Chassis FlexRay 8H
Flex E Chassis FlexRay 17H
Flex E Chassis FlexRay 22C
H4/61 Instrument cluster speaker 2J
LIN A3 LCP LIN 34K
LIN A3 LCP LIN 34G
N10/6 Front SAM control unit 27F
N127 Drivetrain control unit 9C
N2/10 Supplemental restraint system control unit 10B
N3/10 ME-SFI [ME] control unit 3A
N3/9 CDI control unit 3C
N30/4 Electronic Stability Program control unit 14A
N49 Steering wheel angle sensor 22F
N62 Parking system control unit 26A
N62/4 Mercedes-Benz Intelligent Drive control unit 14F
N72/4 Left lower control panel 36J
N72/4s1 DYNAMIC SELECT switch 37K
N72/5 Right lower control panel 36G
N72/5s7 DYNAMIC SELECT switch 37G
N73 Electronic ignition switch control unit 14K
N80 Steering column module control unit 21E
R61/1 Short and long range radar sensor heater 9H
S4 Combination switch 19G
S40/4 Cruise control lever 20C
S40/4M DISTRONIC control 20C
S40/4s1 Resume from memory switch 20C
S40/4s2 Decelerate and set switch 20D
S40/4s3 Accelerate and set switch 20D
S40/4s4 OFF switch 20D
S40/4s6 Variable speed MM iter switch 20D
S40/4v1 Var i able speed MM iter I ight-emitting diode 22D
U1056 Valid except code 446 (Touchpad only) 30J
U2 Not val id for USA 22D
U2 Not valid for USA 20D
U24 Valid for manual transmission 34F
U25 Valid for automatic transmission 34J
U74 Valid for diesel engines 2C
U75 Valid for gasoline engines 2A
Y3/8n4 Fully integrated transmission control unit 2F
G13771642Courtesy of MERCEDES-BENZ USA
G13771643Courtesy of MERCEDES-BENZ USA
G13771644Courtesy of MERCEDES-BENZ USA