LEMON Manuals: Even more car manuals for everyone: 1960-2025
Home >> Mercedes Benz >> 2021 >> E350 Base >> Repair and Diagnosis (Single Page) >> Steering >> Electronic Steering >> Steering - 213 Chassis >> Wiring Diagrams >> Wiring Diagram For Steering Column Module Control Unit >> Wiring Diagram For Steering Column Module Control Unit - PE46.10-P-2101-97DDA
April 5, 2026: LEMON Manuals is launched! Read the announcement.

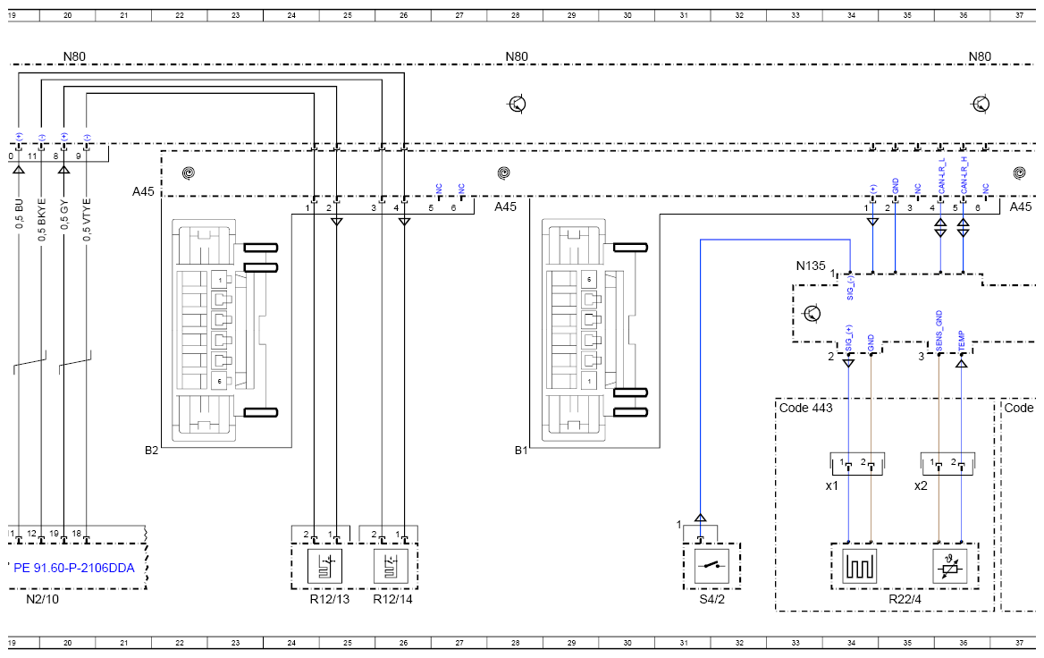
Wiring Diagram For Steering Column Module Control Unit - PE46.10-P-2101-97DDA

Model 213 as of model year 2021 Control unit N80 and N135 

Code: Designation: Position:
A0 Use of wiring diagrams 104L
A45 Fanfare horns and airbag clock spring contact 21D
A45 Fanfare horns and airbag clock spring contact 28D
A45 Fanfare horns and airbag clock spring contact 37D
B179 Hand-detection sensor 58L
B179x1 Hand-detection sensor electrical connector 58J
Code 243 Active Lane Keeping Assist 8E
Code 266 Distronic Plus, cross-traffic support (DTR+Q) 49G
Code 421 9G-TRONIC 37G
Code 443 Steering wheel heating 33G
Code 443 Steering wheel heating 8E
Code 443 Steering wheel heating 41A
Code 443 Steering wheel heating 41A
Code 460 Canada version 50A
Code 494 USA version 50A
Code L LEFT-HAND DRIVE 11G
Code L LEFT-HAND DRIVE 6G
Code L LEFT-HAND DRIVE 85J
Code R RIGHT-HAND DRIVE 11G
Code R RIGHT-HAND DRIVE 6G
Code R RIGHT-HAND DRIVE 85G
Flex E Fahrwerk-FlexRay 15K
H2 Left fanfare horn 61L
H2/1 Right fanfare horn 63L
K40/6 Driver-side fuse and relay module 11L
K40/6 Driver-side fuse and relay module 6L
K40/6f205 Fuse 205 5L
K40/6f211 Fuse 211 10L
N10/6 Front SAM control unit 62A
N135 Steering wheel electronics 33E
N135 Steering wheel electronics 75A
N135 Steering wheel electronics 91A
N179 Hand detection system control unit 54L
N179 Hand detection system control unit 81A
N179 Hand detection system control unit 92A
N2/10 Supplemental Restraint System Control Unit 19L
N49 Steering wheel angle sensor 45B
N80 Steering column module control unit 4A
N80 Steering column module control unit 12A
N80 Steering column module control unit 36A
N80 Steering column module control unit 28A
N80 Steering column module control unit 20A
N80 Steering column module control unit 43A
N80 Steering column module control unit 52A
N80 Steering column module control unit 68A
N80 Steering column module control unit 91A
R12/13 Driver airbag squib 1 25L
R12/14 Driver airbag squib 2 26L
R22/4 Steering wheel heater 35L
R22/4x1 Steering wheel heater electrical connector 1 34J
R22/4x2 Steering wheel heater electrical connector 2 35J
S110/1 Steering wheel downshift button 38L
S111/1 Steering wheel upshift button 39L
S16/13 DIRECT SELECT lever 53D
S163/1 Instrument cluster multifunction steering wheel button group 42L
S163/2 Head unit multifunction steering wheel button group 46L
S4 Combination switch 39D
S4/2 Horns contact plate 31L
S4/2x1 Horns contact plate electrical connector 73E
S40/4 Cruise control lever 48D
S59 Steering column adjustment switch 42D
S59/1 Steering column adjustment and steering wheel heater switch 42D
W1-ESD Steering wheel ground point - electrostatic discharge 44L
W1-ESD Steering wheel ground point - electrostatic discharge 51H
W2 Right front ground point (at lamp unit) 61H
W2-ESD Steering wheel ground point - electrostatic discharge 48L
W2-ESD Steering wheel ground point - electrostatic discharge 52H
W34 Left footwell ground point 7G
W34 Left footwell ground point 12G
W34/3 Right footwell ground point 7G
W34/3 Right footwell ground point 12G
W9 Left front ground point (at lamp unit) 63H
G13772487Courtesy of MERCEDES-BENZ USA
G13772488Courtesy of MERCEDES-BENZ USA
G13772489Courtesy of MERCEDES-BENZ USA
G13772490Courtesy of MERCEDES-BENZ USA
G13772491Courtesy of MERCEDES-BENZ USA
G13772492Courtesy of MERCEDES-BENZ USA