Wiring Diagram For Steering Column Module Control Unit - PE46.10-P-2101-97DBA
Model 213 up to model year 2021 Control unit N80
| Code: | Designation: | Position: |
|---|---|---|
| A0 | Use of wiring diagrams | 88L |
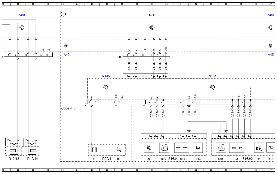
| A45 | Fanfare horns and airbag clock spring contact | 23D |
| A45 | Fanfare horns and airbag clock spring contact | 37D |
| A45 | Fanfare horns and airbag clock spring contact | 46D |
| Code 238 | Active Lane Keeping Assist | 40H |
| Code 243 | Active Lane Keeping Assist | 5E |
| Code 421 | 9G-TRONIC | 43H |
| Code 421 | 9G-TRONIC | 62H |
| Code 443 | Steering wheel heater | 23H |
| Code 443 | Steering wheel heater | 47H |
| Code 443 | Steering wheel heater | 70A |
| Code 443 | Steering wheel heater | 70A |
| Code 443 | Steering wheel heater | 5E |
| Code 460 | Canada version | 79A |
| Code 494 | USA version | 79A |
| Code L | LEFT-HAND DRIVE | 3G |
| Code L | LEFT-HAND DRIVE | 9G |
| Code L | LEFT-HAND DRIVE | 56L |
| Code L | LEFT-HAND DRIVE | 52L |
| Code R | RIGHT-HAND DRIVE | 3G |
| Code R | RIGHT-HAND DRIVE | 9G |
| Code R | RIGHT-HAND DRIVE | 52L |
| Code R | RIGHT-HAND DRIVE | 56L |
| Flex E | Chassis FlexRay | 12K |
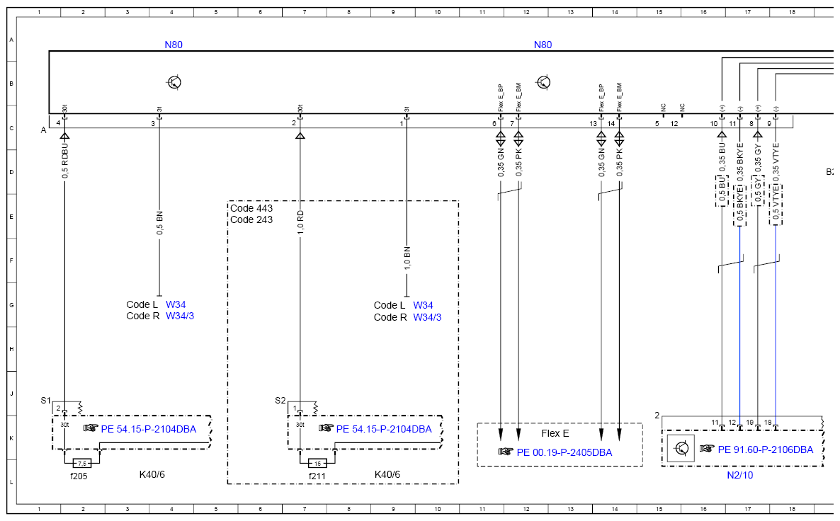
| K40/6 | Driver-side fuse and relay module | 3L |
| K40/6 | Driver-side fuse and relay module | 9L |
| K40/6f205 | Fuse 205 | 2L |
| K40/6f211 | Fuse 211 | 7L |
| M99 | Steering wheel vibration motor | 42L |
| N135 | Steering wheel electronics | 26E |
| N135 | Steering wheel electronics | 33E |
| N135 | Steering wheel electronics | 40E |
| N135 | Steering wheel electronics | 46E |
| N135 | Steering wheel electronics | 49E |
| N135 | Steering wheel electronics | 57E |
| N135 | Steering wheel electronics | 65E |
| N135s1 | Left upper horn button | 38L |
| N135s2 | Right upper horn button | 39L |
| N135s3 | Left lower horn button | 40L |
| N2/10 | Supplemental restraint system control unit | 17L |
| N49 | Steering wheel angle sensor | 74B |
| N80 | Steering column module control unit | 4A |
| N80 | Steering column module control unit | 12A |
| N80 | Steering column module control unit | 20A |
| N80 | Steering column module control unit | 29A |
| N80 | Steering column module control unit | 37A |
| N80 | Steering column module control unit | 46A |
| N80 | Steering column module control unit | 54A |
| N80 | Steering column module control unit | 62A |
| N80 | Steering column module control unit | 77A |
| N80 | Steering column module control unit | 82A |
| N80 | Steering column module control unit | 69A |
| R12/13 | Driver airbag squib 1 | 20L |
| R12/14 | Driver airbag squib 2 | 21L |
| R22/4 | Steering wheel heater | 26L |
| R22/4 | Steering wheel heater | 49L |
| R22/4M | Heating element temperature sensor | 27L |
| R22/4r1 | Steering wheel heater heating element | 25L |
| S110/1 | Steering wheel downshift button | 46L |
| S110/1 | Steering wheel downshift button | 65L |
| S111/1 | Steering wheel upshift button | 44L |
| S111/1 | Steering wheel upshift button | 64L |
| S16/13 | DIRECT SELECT lever | 82D |
| S163/1 | Instrument cluster multifunction steering wheel button group | 30L |
| S163/1 | Instrument cluster multifunction steering wheel button group | 53L |
| S163/1 | Instrument cluster multifunction steering wheel button group | 57L |
| S163/1s10 | Instrument cluster finger navigation pad | 30L |
| S163/1s11 | Volume control button | 31L |
| S163/1s13 | "Back" button | 32L |
| S163/1s9 | Mute function button | 29L |
| S163/2 | Head unit multifunction steering wheel button group | 35L |
| S163/2 | Head unit multifunction steering wheel button group | 57L |
| S163/2 | Head unit multifunction steering wheel button group | 53L |
| S163/2s10 | Head unit finger navigation pad | 34L |
| S163/2s13 | "Back" button | 37L |
| S163/2s3 | Accept/terminate phone call button | 35L |
| S163/2s4 | Voice control system ON button | 36L |
| S4 | Combination switch | 68D |
| S4/2 | Horns contact plate | 61L |
| S40/4 | Cruise control lever | 77D |
| S40/4r1 | DISTRONIC control | 81D |
| S40/4s1 | Resume from memory switch | 75D |
| S40/4s2 | Decelerate and set switch | 76D |
| S40/4s3 | Accelerate and set switch | 77D |
| S40/4s4 | OFF switch | 78D |
| S40/4s6 | Variable speed limiter switch | 80D |
| S40/4v1 | Variable speed limiter light-emitting diode | 80D |
| S4s1 | Turn signal lamps switch | 67D |
| S4s2 | Headlamp flasher/high beam switch | 68D |
| S4s4 | Windshield washer system switch | 69D |
| S4s5 | Wipe switch | 69D |
| S59 | Steering column adjustment switch | 71D |
| S59/1 | Steering column adjustment and steering wheel heater switch | 71D |
| S59/1e1 | Steering wheel heater indicator lamp | 71D |
| W34 | Left footwell ground point | 9G |
| W34 | Left footwell ground point | 4G |
| W34/3 | Right footwell ground point | 9G |
| W34/3 | Right footwell ground point | 4G |